Ruissellement urbain
Le ruissellement urbain ou ruissèlement urbain est le ruissellement de l'eau de pluie dans les villes et zones urbanisées. Il est un facteur majeur d'inondations et de pollution de l'eau dans les communautés urbaines du monde entier.
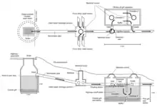
Les surfaces imperméabilisées, (routes, aires de stationnement et trottoirs) favorisent le ruissellement urbain. En effet, pendant les averses, orages et autres précipitations, ces surfaces (construites à partir de matériaux tels que l'asphalte et le béton) de même que les toits, au lieu de permettre à l'eau de s'infiltrer dans le sol conduisent les eaux pluviales et eaux pluviales d'orage polluées vers les égouts pluviaux[1]. Cela provoque un abaissement du niveau piézométrique (car la recharge des aquifères est réduite) et des inondations puisque la quantité d'eau qui reste à la surface est plus importante[2],[3]. La plupart des réseaux d'égouts pluviaux municipaux rejettent des eaux pluviales non traitées dans les cours d'eau, les rivières et les baies. Cet excès d'eau peut également faire son chemin dans les propriétés des gens par refoulement des égouts et par infiltration à travers les murs et planchers des bâtiments.
Inondation urbaine


Le ruissellement urbain est une cause majeure d'inondation (inondations urbaines, inondation de terres ou de propriétés dans un environnement bâti). Il est causé par les précipitations qui surchargent la capacité des systèmes de drainage, tels que les égouts pluviaux[4]. Déclenchée par des crues soudaines, des ondes de tempête, des inondations de débordement ou des fonte des neiges, l'inondation urbaine se caractérise par des impacts répétitifs, coûteux et systémiques sur les communautés, que ces communautés soient ou non situées dans des plaines d'inondation formellement désignées ou près de l'eau[5].
Les eaux pluviales pénètrent dans les propriétés de plusieurs façons: par des conduites d'égout, les toilettes et les éviers dans les bâtiments; les infiltrations à travers les murs et les planchers du bâtiment; l'accumulation d'eau sur la propriété et dans les emprises publiques; et le débordement d'eau des plans d'eau tels que les rivières et les lacs. Lorsque les propriétés sont construites avec des sous-sols, les inondations urbaines sont la principale cause de l'inondation du sous-sol.
Les débits d'inondation dans les environnements urbains ont été étudiés relativement récemment malgré plusieurs siècles d'inondations[6]. Certains chercheurs ont mentionné l'effet de stockage dans les zones urbaines. Plusieurs études se sont penchées sur les modèles d'écoulement et la redistribution dans les rues lors des tempêtes et les implications en termes de modélisation des inondations[7]. Des recherches récentes ont examiné les critères d'évacuation en toute sécurité des personnes dans les zones inondées[8]. Mais certaines mesures récentes sur le terrain durant les inondations du Queensland en 2010-2011 ont montré que tout critère fondé uniquement sur la vitesse d'écoulement, la profondeur de l'eau ou l'impulsion spécifique ne peut pas tenir compte des risques de fluctuations de vitesse et de profondeur. Ces considérations ignorent davantage les risques associés aux gros débris entraînés par le mouvement d'écoulement.
Polluants
L'eau s'écoulant de ces surfaces imperméables a tendance à emporter de l'essence, de l'huile moteur, des métaux lourds, des déchets et autres polluants provenant des routes et des stationnements, ainsi que des engrais et des pesticides provenant des pelouses. Les routes et parkings sont des sources majeures d'hydrocarbures aromatiques polycycliques (HAP), qui sont créés comme sous-produits de combustion d'essence et d'autres combustibles fossiles, ainsi que des métaux lourds que sont le nickel, le cuivre, le zinc, le cadmium et le plomb. L'écoulement du toit contribue à des niveaux élevés de composés organiques synthétiques et de zinc (à partir de gouttières galvanisées). L'utilisation d'engrais sur les pelouses résidentielles, les parcs et les terrains de golf est une source mesurable de nitrates et de phosphore dans les eaux de ruissellement urbaines lorsque l'engrais est mal appliqué ou lorsque le gazon est trop fertilisé[2],[9].
L'érosion des sols ou des sites de construction mal entretenus peut souvent entraîner une sédimentation accrue dans les eaux de ruissellement. La sédimentation s'installe souvent au fond des plans d'eau et peut affecter directement la qualité de l'eau. Des niveaux excessifs de sédiments dans les plans d'eau peuvent augmenter le risque d'infection et de maladie en raison des niveaux élevés de nutriments présents dans le sol. Ces niveaux élevés de nutriments peuvent réduire l'oxygène et stimuler la croissance des algues tout en limitant la croissance de la végétation indigène. La végétation indigène limitée et les algues excessives peuvent perturber l'ensemble de l'écosystème aquatique en raison de la pénétration limitée de la lumière, de la diminution des niveaux d'oxygène et de la réduction des réserves alimentaires. Des niveaux excessifs de sédiments et de matières en suspension peuvent également endommager les infrastructures existantes. La sédimentation peut augmenter le ruissellement en bouchant les systèmes d'injection souterrains, ce qui augmente la quantité de ruissellement à la surface. L'augmentation des niveaux de sédimentation peut également réduire le stockage derrière les réservoirs. Cette réduction des capacités des réservoirs peut entraîner une augmentation des dépenses pour les agences foncières publiques et avoir un impact sur la qualité des zones récréatives aquatiques[10].
Le ruissellement peut également induire un empoisonnement aux métaux lourds dans la vie océanique. De petites quantités de métaux lourds sont transportées par ruissellement dans les océans. Ces métaux sont ingérés par la vie océanique. Ces métaux lourds ne peuvent pas être éliminés de sorte qu'ils s'accumulent dans les animaux. Au fil du temps, ces métaux se développent à un niveau toxique, et l'animal meurt. Cet empoisonnement aux métaux lourds peut également affecter les humains. Si nous mangeons un animal empoisonné, nous avons aussi la chance d'être intoxiqués aux métaux lourds[11],[12].
En France, un des exemples de polluants d'origine industrielle vient du PCB (polychlorobiphényles) ou pyralène qui a été fortement utilisé et relâché dans l'environnement jusque dans les années 1970. Il a depuis été interdit à la vente mais on en trouve encore des traces dans les sédiments des cours d'eau. Ce produit représente un danger pour la santé car c'est un perturbateur endocrinien et peut être cancérigène. Ce produit rend non comestible les poissons qui en ont absorbé[13].
Lorsque les eaux pluviales sont canalisées dans les égouts pluviaux et les eaux de surface, la charge sédimentaire naturelle rejetée dans les eaux réceptrices diminue, mais le débit et la vitesse de l'eau augmentent. En effet, la couverture imperméable dans une ville typique crée cinq fois le ruissellement qu'une forêt typique de la même taille[14].
Effets


Un rapport publié en 2008 par le United States National Research Council (voir l'encadré ci-dessous) a identifié le ruissellement urbain comme une source majeure de problèmes de qualité de l'eau.
... d'autres baisses de la qualité de l'eau demeurent probables si les changements d'affectation des terres qui caractérisent les sources de pollution plus diffuses ne sont pas abordés... Cela comprend les activités agricoles, sylvicoles, urbaines, industrielles et de construction qui perturbent les terres. -les polluants émetteurs émergent pendant les événements de temps humide. La pollution de ces paysages a été presque universellement reconnue comme le défi le plus pressant pour la restauration des plans d'eau et des écosystèmes aquatiques à l'échelle nationale..
National Research Council, Urban Stormwater Management in the United States[15]
Le ruissellement augmente également les températures dans les cours d'eau, ce qui nuit aux poissons et autres organismes. (Une explosion soudaine d'un orage peut causer un choc d'eau chaude causant la mort des poissons.) De plus, le sel de voirie utilisé pour faire fondre la neige sur les trottoirs et les routes peut contaminer les cours d'eau et les aquifères souterrains[16].
L'un des effets les plus prononcés du ruissellement urbain est sur les cours d'eau qui, historiquement, contenaient peu ou pas d'eau pendant les périodes sèches (souvent appelées cours d'eau éphémères). Lorsqu'une zone autour d'un tel cours d'eau est urbanisée, le ruissellement qui en résulte crée un écoulement fluvial anormal qui nuit à la végétation, à la vie sauvage et au lit des cours d'eau. Si le lit du cours d'eau est sec l'eau aura aussi beaucoup plus de difficulté à s'infiltrer ce qui peut participer à augmenter la vitesse d'écoulement. Contenant peu ou pas de sédiments par rapport au rapport historique des sédiments dans l'eau, le ruissellement urbain dévalant le chenal, détruisant les caractéristiques naturelles telles que méandres et bancs de sable, crée de fortes charges sédimentaires à l'embouchure tout en incisant fortement le lit du cours d'eau. Par exemple, sur de nombreuses plages de la Californie du Sud à l'embouchure d'une voie navigable, les eaux de ruissellement urbaines contiennent des déchets, des polluants, du limon excessif et d'autres déchets, et peuvent présenter des risques sanitaires modérés à graves.
En raison des engrais et des déchets organiques que le ruissellement urbain contient souvent, l'eutrophisation se produit souvent dans les cours d'eau touchés par ce type de ruissellement. Après de fortes pluies, la matière organique dans la voie d'eau est relativement élevée par rapport aux niveaux naturels, ce qui stimule la prolifération d'algues qui consomment rapidement la plus grande partie de l'oxygène. Une fois que l'oxygène présent dans l'eau est épuisé, les algues meurent et leur décomposition entraîne une nouvelle eutrophisation. Les proliférations d'algues se produisent principalement dans les zones d'eau stagnante, telles que les mouilles et les bassins situés derrière les barrages, les seuils et certaines structures de chute. L'eutrophisation a généralement des conséquences mortelles pour les poissons et les autres organismes aquatiques.
L'érosion excessive des berges peut causer des inondations et des dommages matériels. Pendant de nombreuses années, les gouvernements ont souvent réagi aux problèmes d'érosion des cours d'eau en modifiant les cours d'eau en construisant des digues renforcées et des structures de contrôle similaires à l'aide de matériaux de béton et de maçonnerie. L'utilisation de ces matériaux durs détruit l'habitat du poisson et des autres animaux[17]. Un tel projet peut stabiliser la zone immédiate où des dommages ont été causés par les inondations, mais souvent, il ne fait que déplacer le problème vers un tronçon en amont ou en aval du cours d'eau[18]. Voir Ingénieurie fluviale.
Les inondations urbaines ont des implications économiques importantes. Aux États-Unis, les experts de l'industrie estiment que les sous-sols humides peuvent réduire la valeur des propriétés de 10 % à 25 % et sont parmi les principales raisons de ne pas acheter une maison[19]. Selon l'U.S Federal Emergency Management Agency (FEMA), près de 40 % des petites entreprises ne rouvrent jamais leurs portes à la suite d'une catastrophe. Au Royaume-Uni, les inondations urbaines sont estimées à 270 millions de livres par an en Angleterre et au Pays de Galles; 80 000 maisons sont en danger[20].
Malgré des efforts concertés, de nombreuses communautés manquent de fonds pour s'attaquer pleinement à ces problèmes et cherchent souvent des fonds ailleurs. De nombreux bassins versants du comté de Los Angeles, en Californie, ne respectent pas les normes de qualité de l'eau de l'État, même s'ils dépensent 100 millions de dollars par an pour des programmes d'assainissement de l'eau afin de lutter contre les eaux de ruissellement urbaines. Pour lutter contre ce problème, les autorités ont mis en place une mesure qui permettrait d'évaluer les frais imposés aux propriétaires et aux entreprises locales dans le but d'amasser 290 millions de dollars pour une gestion efficace du ruissellement urbain[21].
Prévention et atténuation

Le contrôle efficace du ruissellement urbain implique la réduction de la vitesse et du débit des eaux pluviales, ainsi que la réduction des rejets de polluants. Diverses pratiques et systèmes de gestion des eaux pluviales peuvent être utilisés pour réduire les effets du ruissellement urbain. Certaines de ces techniques (appelées best management practices (BMP) aux États-Unis) sont axées sur le contrôle de la quantité d'eau, tandis que d'autres visent à améliorer la qualité de l'eau et certaines remplissent les deux fonctions[22].
Les pratiques de prévention de la pollution comprennent les techniques de développement à faible impact (LID) ou techniques de Trame verte - SuDS (Sustainable Drainage Systems) au Royaume-Uni et WSUD (Water-Sensitive Urban Design) en Australie et au Moyen-Orient - telles que l'installation de toitures végétales et une manipulation améliorée des produits chimiques (par exemple, gestion des carburants et de l'huile, des engrais et des pesticides)[14],[23]. Les systèmes d'atténuation des eaux de ruissellement comprennent des bassins d'infiltration, des systèmes de biorétention, des lagunages, des bassins de rétention et des dispositifs similaires[24],[25].
Des stratégies de désimperméabilisation des sols permettent de limiter l'écoulement des eaux et leurs concentrations en un point, en créant des surfaces qui peuvent absorber l'eau (ville éponge). Des tests sont sur de nouveaux revêtements pour les routes qui peuvent stocker l'eau (Béton caverneux) et la relâcher petit à petit pour éviter un afflux d'eau trop rapide.
Fournir des solutions efficaces de ruissellement urbain nécessite souvent des programmes municipaux appropriés qui tiennent compte des besoins et des différences de la communauté. Des facteurs tels que la température moyenne d'une ville, les niveaux de précipitation, l'emplacement géographique et les niveaux de polluants atmosphériques peuvent tous influer sur les taux de pollution dans les eaux de ruissellement urbaines et présenter des défis uniques pour la gestion. Des facteurs humains tels que les taux d'urbanisation, les tendances d'utilisation des terres et les matériaux de construction choisis pour les surfaces imperméables exacerbent souvent ces problèmes.
La mise en œuvre de stratégies de maintenance à l'échelle de la ville, telles que les programmes de balayage des rues, peut également être une méthode efficace pour améliorer la qualité du ruissellement urbain. Les balayeuses de voirie recueillent des particules de poussière et des solides en suspension que l'on trouve souvent dans les parcs de stationnement publics et les routes qui se retrouvent souvent dans les eaux de ruissellement[26].
Les programmes éducatifs peuvent également constituer un outil efficace de gestion du ruissellement urbain. Les entreprises locales et les particuliers peuvent jouer un rôle essentiel dans la réduction de la pollution dans les eaux de ruissellement urbaines simplement à travers leurs pratiques, mais ils ignorent souvent les réglementations. La création d'une discussion productive sur le ruissellement urbain et l'importance de l'élimination efficace des articles ménagers peuvent contribuer à encourager des pratiques respectueuses de l'environnement à un coût réduit pour la ville et l'économie locale[27].
Notes et références
- ↑ (en) « Runoff (surface water runoff) », sur USGS Water Science School, Reston, VA, U.S. Geological Survey (USGS),
- 1 2 (en)Water Environment Federation, Alexandria, VA; and American Society of Civil Engineers, Reston, VA. "Urban Runoff Quality Management." WEF Manual of Practice No. 23; ASCE Manual and Report on Engineering Practice No. 87. 1998. (ISBN 1-57278-039-8). Chapter 1.
- ↑ (en) Thomas R. Schueler, « The Importance of Imperviousness », dans The Practice of Watershed Protection, Ellicott City, MD, Center for Watershed Protection, (1re éd. initial publ. 1995), 1–12 p. (lire en ligne)
- ↑ (en) « Surface Runoff - The Water Cycle », sur USGS Water Science School, USGS,
- ↑ (en)Center for Neighborhood Technology, Chicago IL "The Prevalence and Cost of Urban Flooding." May 2013
- ↑ (en) Richard Brown, Hubert Chanson, Dave McIntosh et Jay Madhani, « Turbulent Velocity and Suspended Sediment Concentration Measurements in an Urban Environment of the Brisbane River Flood Plain at Gardens Point on 12–13 January 2011 », The University of Queensland, School of Civil Engineering, Brisbane, Australia, no CH83/11, , p. 120 (ISBN 978-1-74272-027-2, lire en ligne)
- ↑ (en) MGF Werner, NM Hunter et PD Bates, « Identifiability of Distributed Floodplain Roughness Values in Flood Extent Estimation », Journal of Hydrology, vol. 314, , p. 139–157 (DOI 10.1016/j.jhydrol.2005.03.012)
- ↑ (en) Chanson, H., Brown, R., McIntosh, D., Human body stability in floodwaters : the 2011 flood in Brisbane CBD, Proceedings of the 5th IAHR International Symposium on Hydraulic Structures (ISHS2014), 25–27 June 2014, Brisbane, Australia, H. CHANSON and L. TOOMBES Editors, 9 pages (DOI: 10.14264/uql.2014.48) (ISBN 978-1-74272-115-6), (ISBN 978-1-74272-115-6, DOI 10.14264/uql.2014.48, lire en ligne)
- ↑ (en) G. Allen Burton, Jr., Robert Pitt, Stormwater effects handbook : a toolbox for watershed managers, scientists, and engineers, New York, CRC/Lewis Publishers, , 911 p. (ISBN 0-87371-924-7, lire en ligne) Chapter 2.
- ↑ (en)Oregon Environmental Council. Chapter 1: Impacts of urban stormwater runoff. Retrieved from website: http://www.oeconline.org/our-work/rivers/stormwater/stormwater report/impacts
- ↑ (en) Marci Bortman, « Marine Pollution », Environmental Encyclopedia, vol. 3, , p. 21–34
- ↑ (en) Kenneth R. Weiss, Endangered Oceans, Farmington Hills, MI, Glenhaven Press, , 39–45 p.
- ↑ David Blanchon, Atlas mondial de l'eau. Défendre et partager notre bien commun, autrement, , 96 p. (ISBN 978-2-7467-4609-1), Page 52-53
- 1 2 (en) Protecting Water Quality from Urban Runoff (rapport), EPA, (lire en ligne)
- ↑ (en) National Research Council (United States) Urban Stormwater Management in the United States (rapport), Washington, D.C., National Academies Press, , p. 24 (ISBN 978-0-309-12539-0, DOI 10.17226/12465, lire en ligne)
- ↑ (en)United States Geological Survey. Atlanta, GA. "The effects of urbanization on water quality: Urban runoff." Accessed 2009-12-30.
- ↑ (en) Edward A. Laws et Lauren Roth, « Impact of Stream Hardening on Water Quality and Metabolic Characteristics of Waimanalo and Kane'ohe Streams, O'ahu, Hawaiian Islands », University of Hawai'i Press, vol. 58, no 2, (ISSN 0030-8870, DOI 10.1353/psc.2004.0019, hdl 10125/2725)
- ↑ (en) « Ch. 3. Channelization and Channel Modification » [« »], dans National Management Measures to Control Nonpoint Source Pollution from Hydromodification (rapport), EPA, (lire en ligne)
- ↑ (en)"The Prevalence and Cost of Urban Flooding." May 2013, Center for Neighborhood Technology, Chicago IL.
- ↑ (en)Parliamentary Office of Science and Technology, London, UK. "Urban Flooding." Postnote 289, July 2007
- ↑ (en) Abby Sewell, « County seeks parcel fee to pay for projects to combat urban runoff », Los Angeles Times, (lire en ligne)
- ↑ (en) « Ch. 5: Description and Performance of Storm Water Best Management Practices » [« »], dans Preliminary Data Summary of Urban Storm Water Best Management Practices (rapport), Washington, D.C., U.S. Environmental Protection Agency (EPA), (lire en ligne)
- ↑ (en) Reduce Runoff: Slow It Down, Spread It Out, Soak It In [Video] (), Environmental Protection Agency, consulté le
- ↑ (en)California Stormwater Quality Association. Menlo Park, CA. "Stormwater Best Management Practice (BMP) Handbooks." 2003.
- ↑ (en)New Jersey Department of Environmental Protection. Trenton, NJ. "New Jersey Stormwater Best Management Practices Manual." April 2004.
- ↑ (en) « Parking Lot and Street Cleaning » [archive du ], sur National Menu of Stormwater Best Management Practices, Environmental Protection Agency (consulté le )
- ↑ (en) Siaka Ballo, Min Liu, Lijun Hou et Jing Chang, « Pollutants in stormwater runoff in Shanghai (China): Implications for management of urban runoff pollution », Progress in Natural Science, vol. 19, no 7, , p. 873-880 (DOI 10.1016/j.pnsc.2008.07.021)
Voir aussi
Bibliographie
- Urban Runoff Pollution, Berlin, Springer-Verlag, (ISBN 3-540-16090-6, lire en ligne)
Articles connexes
- Cycle de l'eau
- Hydraulique urbaine
- Recharge de la nappe phréatique
- Meilleures pratiques de gestion des eaux pluviales
- Biorétention
- Bassin de rétention
- Jardin de pluie
- Tranchée d'infiltration
- Noue végétalisée
- First flush, écoulement initial d'une tempête de pluie
- Portail de l’eau