Thyristor
Un thyristor est un interrupteur électronique semi-conducteur à l'état solide constitué de quatre couches, alternativement dopées N et P. C'est un des composants essentiels de l'électronique de puissance. Il tire son nom du grec θύρα (thúra) qui signifie porte et du suffixe « istor » qui provient du mot transistor. Il se comporte comme une bascule synchrone, c'est-à-dire qu'il reste commandé à l'allumage, par la gâchette (g)[anglais 1], mais pas à l'extinction qui est provoquée par le passage du courant principal Iak à une valeur inférieure au courant de maintien IH.
Les premiers thyristors commerciaux sont sortis en 1956. Leur capacité à commander une grande quantité de puissance et de tension associées à une grande compacité leur a permis de trouver de nombreux champs d'applications dans l'électronique de puissance : ils servent ainsi dans les convertisseurs statiques tels que les gradateurs, les redresseurs pilotés, les onduleurs, pour la commande des moteurs électriques, que ce soit dans l'industrie, le ferroviaire, l'avionique ou l'automobile, pour les lignes électriques HVDC, etc. Ils sont particulièrement adaptés quand la puissance est élevée mais la fréquence basse.
Les thyristors classiques se servent du passage par zéro du courant pour s'ouvrir, cela les rend inutilisables seuls pour la commande de courant continu. Des modifications de structure permettent d'ouvrir les thyristors grâce au signal de la gâchette, par exemple dans le cas des GTO. Par ailleurs, le régime de fonctionnement conduction/blocage des thyristors étant en tout ou rien, ils ne sont pas adaptés pour la réalisation d'amplificateurs analogiques.
Le thyristor est parfois dénommé SCR (Silicon Controlled Rectifier, soit « redresseur silicium commandé »)

Principe
Le thyristor est un composant électronique semi-conducteur à trois bornes composé de quatre couches de silicium dopées alternativement par des accepteurs (P) et des donneurs (N). La structure en couches P-N-P-N du thyristor peut être modélisée par deux transistors PNP et NPN connectés selon le schéma ci-dessous. Les deux bornes principales : l'anode et la cathode, se situent de part et d'autre des quatre couches. La troisième borne, appelée gâchette, sert à commander le thyristor. Elle est reliée à la couche P près de la cathode. On peut modéliser le fonctionnement d'un thyristor par deux transistors bipolaires connectés de manière à former une bascule[1] :
Modélisation physique et électronique d'un thyristor, ainsi que son symbole[1].
En suivant la convention récepteur on peut définir :
- Vak tension entre l'anode et la cathode du thyristor ;
- Vgk tension entre la gâchette et la cathode ;
- Iak courant considéré comme positif lorsque traversant le thyristor de l'anode vers la cathode ;
- Igk courant considéré comme positif lorsque rentrant sur la gâchette.

Un thyristor a trois états possibles[2],[3] :
- Tension négative, thyristor bloqué : Vak est négatif, comme une diode dans ce cas, il est bloqué ;
- Tension positive, thyristor bloqué : Vak est positif, mais Igk est nul. À la différence d'une diode, le thyristor est bloqué ;
- Tension positive, thyristor passant : Vak est positif (supérieure à la tension de seuil), une impulsion d'un courant Igk positive a été donnée entre la gâchette et la cathode. Le thyristor est passant ; il conduit : le courant Iak traverse le thyristor de l'anode vers la cathode. Lorsque le courant dépasse initialement la valeur nécessaire au déverrouillage du dispositif par le déclenchement de la gâchette[anglais 2], le thyristor reste conducteur tant et aussi longtemps que le courant ne descend pas en dessous d'une certaine valeur, appelée courant de maintien[anglais 3]. Le dispositif se comporte alors comme une diode. Il y a une chute de tension aux bornes du thyristor, légèrement plus grande que la tension de seuil, de l'ordre de 1 ou 2 volts[2].
Fonctionnement
Un thyristor possède trois jonctions P-N, nommées J1, J2, J3 à partir de l'anode (voir ci-dessus). Quand Vak est positive (anode positive par rapport à la cathode), mais qu'aucun courant n'entre par la gâchette, les jonctions J1 et J3 sont polarisées positivement (tension positive sur P par rapport à N), tandis que J2 est polarisée négativement (tension positive sur N par rapport à P). J2 empêche donc la conduction[1].

La caractéristique I-V d'un thyristor est présentée ci-contre[1] :
- Avalanche, ou tension de claquage négative ;
- Courant inverse ;
- Courant de fuite direct ;
- Tension d'amorçage (tension de « claquage » positive) directe ;
- Courant de maintien :
- Courant de conduction.
Si la tension Vak dépasse la valeur de la tension d'amorçage (4 sur la caractéristique), alors la jonction J2 se met à conduire, le thyristor aussi (6 sur la caractéristique)[1].
Si Vgk est positive, alors la valeur de la tension d'amorçage diminue : Vak doit être plus faible pour que le thyristor conduise. En choisissant judicieusement Igk, on peut amorcer facilement le thyristor.

Une fois que l'effet d'avalanche a eu lieu, le thyristor continue à conduire quelle que soit la valeur du courant de gâchette jusqu'à ce que, soit :
- Le courant Iak devienne inférieur à la valeur du courant de maintien (5 sur la caractéristique) ;
- Vak devienne négative (voir aussi : Défaut de commutation).
Vgk peut donc être délivrée de manière impulsionnelle, par exemple grâce à la tension de sortie d'un oscillateur de relaxation de type transistor unijonction.
Quand le thyristor se trouve dans un système en courant alternatif sinusoÏdal, ce qui est généralement le cas, il est d'usage de définir le retard t0, entre le moment où Vak devient positive et le début de l'impulsion de la gâchette, par un angle, appelé « angle de retard à l'amorçage (ou à l'ouverture) » et noté α, tel que α = ω × t0[3].
La gâchette est caractérisée par sa tension d'amorçage, notée Vgk, et son courant d'amorçage, noté Igk ; le circuit de commande doit être tel que la droite de charge du générateur soit placée dans la partie de l'amorçage sûr de la caractéristique tension/courant de la jonction gâchette-cathode[4]. La durée de l'impulsion dépend de la nature de la charge, en cas de charge inductive l'impulsion doit avoir une durée supérieure[4] au temps nécessaire pour que le courant Iak dépasse la valeur du courant de maintien IH. Le temps total d'amorçage du thyristor (délai d'amorçage plus temps d'amorçage) est dépendant de l'amplitude du courant de gâchette, plus ce courant est élevé plus le temps est court et inversement[5].
Commutation
Si l'on veut bloquer le thyristor alors qu'il est déjà à l'état conducteur, il faut utiliser un circuit extérieur. La première possibilité est d'appliquer une tension négative à ses bornes, on parle alors de commutation par la ligne (le réseau électrique alternatif, par exemple) ou de commutation naturelle. La seconde consiste à activer un second thyristor qui va alors permettre la décharge d'une capacité à travers la cathode du premier thyristor. On parle alors de commutation forcée[2].
Défaut de commutation

Après l'extinction du courant, un thyristor a besoin d'un temps de repos avant de retrouver son pouvoir bloquant[6]. On parle de temps de blocage[anglais 4] ou de désamorçage[6] noté tq. Son ordre de grandeur est variable selon les types de thyristors (classiquement de 10 à 100 µs)[6]. Si une tension positive est appliquée à ses bornes avant la fin de ce délai, les porteurs de charge (trous et électrons) ne se sont par encore tous recombinés, et le thyristor se réamorce sans impulsion de gâchette. On parle de défaut de commutation[anglais 5],[2].
Ainsi, si la fréquence est élevée, un temps de repos faible est nécessaire. Des thyristors rapides peuvent être réalisés par diffusion d'ions de métaux lourds, tels que l'or ou le platine, qui rendent la recombinaison du silicium plus brève. En 2014, d'autres solutions sont privilégiées : soit le silicium est irradié par des électrons ou des protons, soit en implantant des ions. L'irradiation est plus polyvalente que le dopage aux métaux lourds, car le dosage peut être ajusté par petite touche, même à la fin de la fabrication.
Le thyristor peut également devenir passant de manière intempestive si[2] :
- Le thyristor est à l'état bloqué et la tension Vak dépasse un niveau élevé appelé tension de retournement (1 sur la caractéristique), il devient alors passant « sans commande sur la gâchette » ;
- La vitesse de montée de la tension au blocage Vak (dv/dt) est trop rapide. Ceci même si la tension est inférieure à la tension de retournement. Ce qui arrive dans le cas d'une tension carrée par exemple.
Afin de limiter la montée en tension, un circuit amortisseur[anglais 6] peut être monté entre l'anode et la cathode du thyristor. Il peut s'agir d'un simple circuit RC.
Enfin, les fabricants de thyristors définissent généralement une plage de tension, de courant et de températures pour le fonctionnement nominal. La puissance maximale de la gâchette est également à prendre en compte[4]. Le courant Iak ne doit pas s'établir trop rapidement (di/dt) sous peine de produire un échauffement[2] localisé trop important du composant pouvant conduire à sa destruction[6].
Histoire

Invention
Le Silicon Controlled Rectifier (SCR), plus tard renommé thyristor, a été imaginé par William Shockley en 1950, l'idée a muri ensuite grâce au travail du Bell labs et de Moll en particulier. Finalement, il est construit en 1956 par des ingénieurs de General Electric dirigés par Gordon Hall. Il est enfin commercialisé par Frank W. « Bill » Gutzwiller, un employé de GE[7].
Étymologie
Un tube à gaz antérieur, appelé thyratron, possédait des capacités électroniques similaires au thyristor. Une faible tension de commande permettant de commuter un courant important. Le mélange des mots « thyratron » et « transistor » donne le terme « thyristor », qui remplace vers 1965 le sigle SCR utilisé par General Electric. Le mot thyratron est lui-même composé du préfixe « thyr- », venant du grec thura signifiant porte, et du suffixe tron signifiant instrument[8].
Types de thyristors


- Anode Gate Thyristor (AGT) : un thyristor dont la gâchette est connectée à la couche dopée N près de l'anode.
- Thyristor asymétrique[9], Asymmetrical SCR (ASCR).
- Bidirectional Control Thyristor (BCT) : un composant de commutation contenant deux structures de thyristors avec deux gâchettes séparées.
- Breakover Diode (BOD) : un thyristor sans gâchette s'amorçant uniquement grâce à l'effet d'avalanche.
- Diac : deux thyristors en tête-bêche sans gâchette servant à amorcer les Triac.
- Dynistor : dispositif unidirectionnel servant à l'amorçage.
- Diode Shockley (en) : thyristor sans gâchette
- Sidac (en) : composant de commutation bidirectionnel.
- Trisil (en), Sidactor : composant de protection bidirectionnel.
- Thyristor GTO (GTO) : thyristor commandé par la gâchette à la fermeture et à l'ouverture.
- Thyristor ETO (ETO)[10] : thyristor commandé à la fermeture et à l'ouverture grâce à un MOSFET.
- Integrated gate-commutated thyristor (en) (IGCT) : thyristor commandé à la fermeture et à l'ouverture.
- Distributed Buffer – gate turn-off thyristor (DB-GTO) : thyristor commandé à la fermeture et à l'ouverture.
- Modified anode gate turn-off thyristor (MA-GTO) : GTO modifié.
- Thyristor à commande optique (Light-activated SCR [LASCR] ou (light-triggered thyristor [LTT]) : thyristor amorcé grâce à la lumière, voir ci-dessous.
- Light-activated semiconducting switch (LASS)
- Thyristor MCT (MCT) : thyristor avec deux MOSFET intégrés.
- Base Resistance Controlled Thyristor (BRT)
- Thyristor à conduction inverse[9] (RCT) : voir ci-dessous.
- Programmable Unijunction Transistor (PUT ou PUJT) : thyristor dont la gâchette est connectée à la couche dopée N près de l'anode, utilisé pour remplacer le transistor unijonction.
- Silicon Controlled Switch (SCS) ou Thyristor Tetrode : un thyristor avec une gâchette pour l'anode et une pour la cathode.
- Silicon-controlled rectifier (SCR) : synonyme pour thyristor.
- Thyristor à induction statique (SITh) aussi appelé Field Controlled Thyristor (FCTh) : thyristor dont la gâchette est conçue afin de pouvoir interrompre le courant venant de l'anode.
- Triac (Triode for Alternating Current) : deux thyristors montés en tête-bêche avec gâchette commune.
- MOS composite static induction thyristor (en) (CSMT)
- ACS
- ACST
- Ignitor
Thyristor à conduction inverse
Un thyristor à conduction inverse possède une diode intégrée montée tête-bêche par rapport au thyristor[2],[9]. Cela permet d'économiser une diode de roue libre dans certains circuits[9]. Par ailleurs, les deux éléments ne conduisant jamais simultanément, un système de refroidissement commun peut être employé. Ils sont souvent utilisés dans les onduleurs et les changeurs de fréquence.
Thyristor à commande optique
Les thyristors amorcés optiquement (Light triggered thyristor) utilisent la lumière en lieu et place du courant pour activer la gâchette. Cette dernière est alors placée au centre du thyristor. Le faisceau lumineux, en général des infrarouges, est transmis grâce à une fibre optique. Cette solution est utilisée dans les applications très haute tension, typiquement les HVDC, pour ne pas avoir à placer l'électronique de la gâchette au potentiel des thyristors[11],[12].
Thyristor au carbure de silicium
Le carbure de silicium (SiC) est un matériau pouvant remplacer le silicium dans la construction des thyristors. Il a l'avantage de supporter des températures ambiantes allant jusqu'à 350 °C. Leur utilisation est relativement récente[13].
Comparaison avec d'autres composants
Un thyristor ne peut conduire que dans une direction, en cas d'utilisation bidirectionnelle il faut avoir recours soit à deux thyristors montés tête-bêche, soit à un Triac, soit, dans certains cas, à une diode montée en anti-parallèle ou un thyristor à conduction inverse.
Les thyristors sont en concurrence avec les GTO, les IGCT et les IGBT dans le domaine de l'électronique de puissance. Tous ces autres composants ont l'avantage de pouvoir commander leur ouverture. Ils offrent également la possibilité de travailler en fréquence plus élevée. Par contre le thyristor est le composant ayant le moins de pertes.
Applications


Les thyristors sont principalement utilisés lorsque la tension, le courant ou les deux sont élevés. Ils permettent de régler alors l'amplitude du courant appliqué à une charge. Leur ouverture est en général provoquée par le passage par zéro du courant : par commutation par la ligne. Selon les applications, le réglage peut être réalisé par variation de l'angle de retard à l'ouverture comme dans l'animation ci-contre (réglage de l'angle de phase), ou bien par trains d'ondes entières comme dans certains gradateurs.
Faibles puissances
Les thyristors ou les Triacs, c'est-à-dire deux thyristors montés en tête-bêche, de faible puissance servent à commander la vitesse de rotation des moteurs universels des appareils électroménagers. Ils peuvent aussi servir à tamiser la lumière dans les cinémas notamment, où ils ont remplacé les autotransformateurs et les rhéostats. Ils servent également dans les flashs des appareils photo. À la fin des années 1970, ils ont été employés, également sous forme de Triacs, dans l'alimentation des téléviseurs afin de stabiliser la tension continue délivrée au circuit. En fonction de la tension alternative fournie, l'angle de retard des thyristors est adapté afin de compenser les fluctuations. Plus tard, ils ont été remplacés par les transistors bipolaires et les MOSFET.
Combinés à une diode Zener, ils peuvent servir à protéger les circuits numériques contre les surtensions. En fonctionnement normal, les deux éléments sont bloqués. Si la tension devient supérieure à la tension Zener, le thyristor devient conducteur et provoque un court-circuit qui fait fondre le fusible protégeant l'alimentation. L'avantage de ce dispositif par rapport à un simple interrupteur est de permettre d'évacuer les charges et la surtension vers la terre.
Puissances moyennes

Les thyristors sont très utilisés dans l'industrie quand la puissance excède environ 2 kW. Ils servent alors souvent de redresseurs. Ils permettent de commander les moteurs électriques asynchrones à cage d'écureuil en couple et ainsi de limiter les courants de démarrage. Pour les moteurs à courant continu, les thyristors permettent de commander la vitesse en réglant la tension de sortie du redresseur[14].
Dans le cas de circuit redresseur/onduleur, permettant de changer la fréquence, les thyristors sont utilisés pour régler la tension continue entre les deux éléments.
Pour le domaine de fréquences allant de quelques milliers de Hz à quelques dizaines de kHz où les thyristors étaient auparavant utilisés, on utilise plutôt, depuis les années 2000, des IGBT plus adaptés à ces applications.
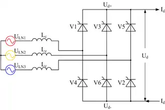
- Thyristors et pont de Graetz
Pont de Graetz triphasé à base de thyristors, monté en redresseur.
Tension et courant sortant du pont de Graetz, avec l'angle de retard des thyristors égal à zéro.
Tension et courant sortant du pont de Graetz, avec l'angle de retard des thyristors égal à 20°.
Tension et courant sortant du pont de Graetz, avec l'angle de retard des thyristors égal à 40°.
Puissances élevées

Les thyristors ayant à la fois un courant permanent admissible élevé et une tension de blocage importante, ils sont adaptés aux applications mettant en jeu de grandes puissances électriques. Les lignes haute tension à courant continu (HVDC) tirent tout particulièrement parti de ces propriétés pour redresser le courant alternatif d'une part et l'onduler d'autre part. Ce domaine emploie des thyristors amorcés électriquement (ETT) mais également des transistors amorcés optiquement (LTT) ces derniers permettant d'avoir l'électronique de commande et les thyristors à des potentiels différents, mais leur fabrication et la conception sont globalement plus complexes[12]. Pour les HVDC, les thyristors sont disposés en valves, c'est-à-dire en interrupteurs. Chacune est constituée de nombreux thyristors en série et en parallèle : en série pour augmenter la tension, en parallèle pour le courant. Les valves sont en général suspendues au plafond pour les isoler électriquement du sol. Pour évacuer leur pertes, les thyristors sont refroidis à l'eau déionisée[11].
Les FACTS, qui servent à stabiliser et à optimiser les réseaux électriques, et ont une conception proches des HVDC utilisent également les thyristors.
Pour la commande des moteurs électriques grandes puissances, comme en moyenne puissance, les thyristors sont employés. Ainsi les premiers ICE les utilisaient, dans les nouveaux cependant, des GTO et IGCT les ont remplacés.
Les redresseurs à thyristors peuvent aussi servir à l'électrolyse de l'aluminium ou du chlore.
Bibliographie
- (en) Dr. Richard G. Hoft, Professor of Electrical Engineering, University of Missouri at Columbia (dir), The Enginneer Staff of International Rectifier (contributors), SCR applications handbook, International Rectifier, , 528 p.
- (en) A.P. Connoly, R.W. Fox, F.B. Golden, D.R. Gorss, S.R. Korn, R.E Locher et S.J. Wu, SCR Manual, General Electric, , 5e éd., 687 p.
- (de) Dr.-Ing. Hans-Peter Hempel, Leistungshalbleiter–Handbuch, Nuremberg, Peter R.W. Martin – Semikron International, , 260 p.
- (en) Dr.-Ing. Hans-Peter Hempel (trad. John R. Welsh), Power Semiconductor Handbook, Nuremberg, Peter R.W. Martin – Semikron International, , 276 p. (ISBN 3-9800346-1-5).
- (en) Vedam Subrahmanyam, Thyristor control of electric drives, New Delhi, Tata McGrall-Hill, , 410 p. (ISBN 978-0-07-460341-3, lire en ligne).
- Hansruedi Bühler, Convertisseurs statiques, Lausanne, Presses polytechniques et universitaires romanes, coll. « Électricité », , 320 p. (ISBN 978-2-88074-230-0, lire en ligne).
- Albert Terras, Précis de physique et électricité appliquées en productique, Paris, Bréal, , 191 p. (ISBN 978-2-7495-0285-4, lire en ligne), p. 104.
- Philippe Barrade, Électronique de puissance : méthodologie et convertisseurs élémentaires, Lausanne, Presses polytechniques et universitaires romande, , 411 p. (ISBN 978-2-88074-566-0, lire en ligne).
- (en) Arendt Wintrich, Ulrich Nicolai, Werner Tursky et Tobias Reimann, Application Manual Power Semiconductors, Nuremberg, Semikron, , 2e éd., 466 p. (ISBN 978-3-938843-66-6, lire en ligne) [PDF].
- (en) Thyristor Theory and Design Considerations – ON Semiconductor, SCILLC, hbd855/d. 2006, 240 p. (lire en ligne) [PDF].
Notes et références
Traductions
- gate
- latching current
- holding current
- turn off time
- commutation failure
- snubber circuit
Références
- Wintrich 2011, p. 22-28.
- Barrade 2006, p. 59-61.
- Terras 2004, p. 104.
- (en) « Safe Firing of Thyristors (Amorçage sûr des thyristors) », sur powerguru.org, (consulté le ).
- Wintrich 2011, p. 146-154.
- Bühler 1991, p. 15-16.
- (en) Mark P. D. Burgess, « General Electric History – Semiconductor Research and Development at General Electric », 2008-2011 (consulté le ).
- (en) « Etymology of thyristor » (consulté le ) [PDF].
- Bühler 1991, p. 16-18.
- (en) Muhammad H. Rashid, Power Electronics (3rd ed.), Pearson, , 880 p. (ISBN 978-81-317-0246-8).
- (en) « High Voltage Direct Current Transmission - Proven Technology for Power Exchange », sur siemens.co, Siemens (consulté le ).
- (en) « ETT vs. LTT for HVDC », sur abb.com, ABB (consulté le ).
- (en) « Silicon Carbide Inverter Demonstrates Higher Power Output », sur powerelectronics.com, Power electronics, (consulté le ).
- Subrahmanyam 1988, p. 11.
- (de) Cet article est partiellement ou en totalité issu de l’article de Wikipédia en allemand intitulé « Thyristor » (voir la liste des auteurs).
Annexes
Articles connexes
- Portail de l’électricité et de l’électronique
- Portail de l’énergie