Diode Zener
Une diode Zener est un assemblage de deux semi-conducteurs dont les propriétés électriques ont été découvertes par le physicien américain Clarence Zener. Contrairement à une diode conventionnelle qui ne laisse passer le courant électrique que dans un seul sens, le sens direct, les diodes Zener sont conçues de façon à laisser également passer le courant inverse, mais ceci uniquement si la tension à ses bornes est plus élevée que le seuil de l'effet d'avalanche. Ce seuil en tension inverse (tension Zener) est de valeur déterminée pouvant aller de 1,2 V à plusieurs centaines de volts[1]. Certaines diodes Zener comportent une troisième broche qui permet de régler cet effet d'avalanche.

.jpg.webp)
Histoire
La diode Zener est nommée d'après le physicien Clarence Zener qui est le premier à décrire l'effet Zener en 1934 dans ses études essentiellement théoriques sur la dégradation des propriétés des isolants électriques. Plus tard, ses travaux ont conduit à la mise en œuvre de cet effet par Bell Labs sous la forme d'un dispositif électronique, la diode Zener[2].
Principe


Une diode est le contact de deux types de semi-conducteurs, l'un de type P et l'autre de type N. Soumise à une tension inverse, elle conduit un courant inverse très faible, que l'on considère nul dans la pratique. L'énergie des bandes de valence des atomes dans le matériau de type P ont souvent un recoupement avec les bandes de conductions du matériau de type N. Si la jonction P-N d'une diode est fortement dopée, la zone de charge d'espace est très mince et des électrons peuvent traverser la jonction dans la bande d'énergie commune par l'effet tunnel. Ainsi, la diode soumise à une tension inverse peut conduire un courant par l'effet tunnel[3]. La tension d'apparition de l'effet tunnel est très faible si le dopage est très grand. Cet effet dépend du niveau de dopage et de la tension inverse.
D'autre part, lorsque la tension inverse devient suffisamment grande, le champ électrique interne à la jonction P-N est tel que certaines charges électriques minoritaires très énergétiques génèrent de nouvelles charges électriques par processus d'ionisation par chocs[3]. Il y a augmentation du courant inverse par effet d'avalanche, et destruction de la diode si cet effet n'est pas limité par dispositif de limitation de courant en série. La diode peut ainsi laisser passer un courant important en inverse.
Ces deux mécanismes de conduction en tension inverse peuvent coexister pour des valeurs intermédiaires de tension Uz. Par exemple, la diode silicium de tension Uz de 5,6 volts est souvent utilisée car l'effet tunnel et le processus d'ionisation par chocs ont une dépendance contraire avec la température. Ainsi dans ce cas, la tension Uz reste constante à 5,6 V pour une gamme de température assez étendue, servant ainsi de référence de tension.

Construction
Le fonctionnement de la diode Zener dépend du fort dopage de sa jonction p-n. La région de déplétion formée dans la diode est très mince (<1 µm) et le champ électrique est par conséquent très élevé (environ 500 kV/m) même pour une petite tension de polarisation inverse d'environ 5 V, permettant aux électrons de passer par effet tunnel de la bande de valence du matériau de type p à la bande de conduction du matériau de type n.
À l'échelle atomique, cet effet tunnel correspond au transport d'électrons de la bande de valence vers les états vides de la bande de conduction ; en raison de la réduction de la barrière entre ces bandes et des champs électriques élevés qui sont induits en raison des niveaux élevés de dopage des deux côtés[4]. La tension de claquage peut être contrôlée de manière assez précise lors du processus de dopage. Bien que des tolérances de 0,07 % soient disponibles, les tolérances les plus couramment utilisées sont de 5 % et 10 %. La tension de claquage des diodes Zener courantes peut varier considérablement, de 1,2 V à 200 V.
Pour les diodes faiblement dopées, le claquage est dominé par l'effet d'avalanche plutôt que par l'effet Zener. Par conséquent, la tension de claquage est plus élevée (plus de 5,6 V) pour ces dispositifs.
Zener de surface
La jonction émetteur-base d'un transistor bipolaire NPN se comporte comme une diode Zener, avec une tension de claquage d'environ 6,8 V pour les procédés bipolaires courants et d'environ 10 V pour les régions de base légèrement dopées dans les procédés BiCMOS. Les procédés plus anciens, avec un mauvais contrôle des caractéristiques de dopage, permettaient de faire varier la tension Zener jusqu'à ±1 V. Les procédés plus récents utilisant l'implantation ionique ne permettent pas d'atteindre plus de ±0,25 V. La structure du transistor NPN peut être utilisée comme une diode Zener de surface, avec le collecteur et l'émetteur connectés ensemble comme cathode et la région de base comme anode. Dans cette approche, le profil de dopage de la base se rétrécit généralement vers la surface, créant une région avec un champ électrique intensifié où se produit le claquage par avalanche. Les porteurs chauds produit par l'accélération dans le champ intense peut parfois se propager dans la couche d'oxyde au-dessus de la jonction et y être piégée. L'accumulation de charges piégées peut alors provoquer une « Zener walkout » (sortie de Zener), une modification correspondante de la tension de Zener de la jonction.
Les diodes Zener émetteur-base ne peuvent supporter que des courants plus faibles car l'énergie est dissipée dans la région de déplétion de la base qui est très petite[pas clair]. Une quantité plus importante d'énergie dissipée (un courant plus élevé pendant un temps plus long, ou un court pic de courant très élevé) provoque des dommages thermiques à la jonction et/ou à ses contacts. Un dommage partiel de la jonction peut déplacer sa tension Zener. La destruction totale de la jonction Zener en la surchauffant et en provoquant la migration de la métallisation à travers la jonction (« spiking ») peut être utilisée intentionnellement comme un antifusible « Zener zap »[5].
Zener de subsurface

Une diode Zener de subsurface, également appelée « Zener enterrée », est un dispositif similaire à la Zener de surface, mais dont la région d'avalanche est située plus profondément dans la structure, généralement plusieurs micromètres sous l'oxyde. Les porteurs chauds perdent alors de l'énergie par collisions avec le réseau semi-conducteur avant d'atteindre la couche d'oxyde et ne peuvent pas y être piégés. Le phénomène de marche de Zener ne se produit donc pas ici, et les Zeners enterrés ont une tension constante pendant toute leur durée de vie. La plupart des Zeners enterrés ont une tension de claquage de cinq à sept volts. Plusieurs structures de jonction différentes sont utilisées[6].
Utilisation

On l'utilise comme référence de tension dans les alimentations stabilisées par exemple. Elle permet également la protection en surtension, toutefois la diode Transil lui est largement supérieure en puissance absorbable.
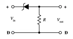
Les diodes Zener sont fréquemment utilisées pour réguler la tension dans un circuit. Lorsqu'on la connecte en inverse en parallèle avec une source de tension variable, une diode Zener devient conductrice lorsque la tension atteint la tension d'avalanche de la diode. Elle maintient ensuite la tension à cette valeur.

Dans ce circuit, la résistance R est responsable de la chute de tension entre UIN et UOUT. La valeur de R doit satisfaire deux conditions :
- R doit être suffisamment petite pour que le courant qui passe dans D la maintienne en mode d'avalanche. La valeur de ce courant est donnée dans la data sheet de D. Par exemple, la diode Zener classique BZX79C5V6[7] (5,6 V / 0,5 W) possède un courant inverse recommandé de 5 mA. Si le courant qui traverse D n'est pas suffisant, alors UOUT n'est pas régulé, et vaut moins que la tension d'avalanche (ce comportement est différent de celui des tubes régulateurs de tension pour lesquels la tension de sortie serait supérieure à la tension nominale, et pourrait atteindre UIN). Lors du calcul de R, on doit tenir compte du courant qui circule dans la charge externe connectée sur UOUT (qui ne figure pas dans ce diagramme) ;
- R doit être assez grande pour que le courant qui traverse D ne la détruise pas. En notant ID le courant dans D, la tension d'avalanche VZ et la puissance absorbable maximum Pmax, alors on doit avoir .
Une diode Zener est un régulateur shunt (shunt désigne la connexion en parallèle). En effet, une partie du courant qui traverse la résistance est déviée dans la diode Zener, et le reste traverse la charge. Ainsi on contrôle la tension que voit la charge en faisant passer une partie du courant issu de la source dans la diode au lieu de la charge.
Écrêtage d'ondes


Deux diodes Zener se faisant face en série écrêtent les deux moitiés d'un signal d'entrée. L' écrêtage d'ondes peuvent être utilisés non seulement pour remodeler un signal, mais aussi pour éviter que les pics de tension n'affectent les circuits connectés à l'alimentation[8].
Décalage de tension


Une diode Zener peut être appliquée à un circuit avec une résistance pour agir comme un décalage de tension. Ce circuit abaisse la tension de sortie d'une quantité égale à la tension de claquage de la diode Zener.
Régulateur de tension


Une diode Zener peut être utilisée comme régulateur de tension pour réguler la tension appliquée à une charge, comme dans un régulateur linéaire.
Notes et références
- SMAJ530 & SMAJ550 datasheet, Vishay
- Wolfgang Saxon, « Clarence M. Zener, 87, Physicist And Professor at Carnegie Mellon », The New York Times, (lire en ligne)
- « Les diodes Zener », Les composantes électroniques, sur Technique électronique, (consulté le ).
- The Electrical Engineering Handbook, Boca Raton, CRC Press, (ISBN 0-8493-0185-8), p. 457
- Donald T. Comer, « Zener Zap Anti-Fuse Trim in VLSI Circuits », VLSI Design, vol. 5, , p. 89 (DOI 10.1155/1996/23706
). - Alan Hastings, The Art of Analog Layout, Prentice Hall, , Second éd. (ISBN 9780131464100).
- BZX79C5V6 data sheet, Fairchild Semiconductor
- Robert Diffenderfer, Electronic Devices: Systems and Applications, Thomas Delmar Learning, , 95–100 p. (ISBN 1401835147, lire en ligne)
- (en) Cet article est partiellement ou en totalité issu de l’article de Wikipédia en anglais intitulé « Zener diode » (voir la liste des auteurs).
Voir aussi
Liens externes
- Portail de l’électricité et de l’électronique