Écrêtage
L'écrêtage consiste à supprimer une partie de l'amplitude d'un signal[1]. Le redressement supprimant les alternances négatives peut être considéré comme un cas particulier de l'écrêtage.
En hydrologie, l'écrêtage des crues consiste à réduire l'amplitude des crues à l'aide de pertuis ou de dispositifs similaires.
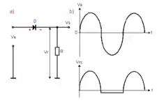
Écrêtage par diode en parallèle
![]() |
![]() |
| Écrêtage de l'alternance positive (+) | Écrêtage de l'alternance négative (-) |
Suivant le sens de branchement de la diode, on supprime soit l'alternance positive, soit l'alternance négative. L'amplitude résiduelle de l'alternance est d'autant plus faible que la résistance de la diode est petite par rapport à la résistance R (diviseur de tension) et que la tension de seuil Vdo est faible. La résistance R ne peut pas être trop grande à cause de l'atténuation du signal. La caractéristique de la diode n'est pas parfaitement linéaire, d'où déformation du signal écrêté. On doit tenir compte du fait que, pour les hautes fréquences, la capacité de la diode constitue avec la résistance R un circuit intégrateur.
Écrêtage au-dessus de la masse

Suivant le sens de la tension E appliquée, on obtient un signal écrêté au-dessus de la masse ou au-dessous. Suivant le sens de branchement de la diode, on écrête soit l'alternance positive, soit l'alternance négative. Les sources de tension continue doivent être découplées avec un condensateur.
Écrêtage par diode série

La partie positive seule du signal passe, la partie négative provoque le blocage de la diode. Ce montage est souvent préférable, car l'amplitude du signal n'est pratiquement pas diminuée et la raideur des flancs peut être plus poussée. On l'utilise aussi à la suite de l'écrêteur pour supprimer la tension négative résiduelle.
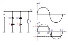
Écrêtage à deux niveaux

La première diode écrête l'alternative positive au-dessus de la masse, et la deuxième écrête l'alternance négative au-dessous de la masse.
Écrêtage par transistor
Un écrêtage à un seul niveau peut être réalisé au moyen d'un transistor en utilisant soit le blocage, soit la saturation, ou bien un écrêtage à deux niveaux en utilisant simultanément blocage et saturation. L'amplitude du signal de sortie sera, dans ce dernier cas, égale à Vcc. Pour obtenir des flancs raides, il faut choisir un transistor à fréquence de coupure élevée et à faible temps de saturation. Si on désire fixer l'un des deux états en l'absence de signal, il suffit de réunir la base par une résistance, soit à la masse (blocage), soit à Vcc (saturation). Pour passer de la saturation au blocage il faut évacuer rapidement les charges stockées dans la base (courant Ib2). Le condensateur Cb accélère la désaturation.

Limiteur d'amplitude

Le limiteur d'amplitude est un cas particulier de l'écrêtage. On peut utiliser à cet effet la caractéristique de transfert de l'ampli différentiel dans la zone de saturation. Une solution simple et efficace est obtenue avec l'amplificateur opérationnel.
Applications
Modifications de l'amplitude d'un signal par amplification et écrêtage. Limitation d'amplitude. Amélioration de la forme de tops brefs. En télévision : séparation des signaux de synchronisation du signal vidéo, et ensuite séparation des tops de synchronisation trame et lignes.
Notes et références
- (fr) « Ecrêtage - Forum Électronique », sur forums.futura-sciences.com (consulté le )
- Portail de l’électricité et de l’électronique

