Grille commune
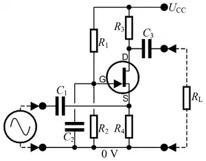
En électronique, un grille commune est un des trois types de base d’amplificateur électronique utilisant un transistor à effet de champ. Ce montage est le pendant pour transistor à effet de champ du base commune des transistors bipolaires. Il est typiquement utilisé comme buffer de courant ou amplificateur de tension. Dans ce circuit le signal d'entrée est appliqué à la source. La sortie est le drain et la grille est le point commun.

un amplificateur à grille commune
Voir aussi
Articles connexes
- Amplificateur électronique
- Montages amplificateurs
- Portail de l’électricité et de l’électronique
Cet article est issu de Wikipedia. Le texte est sous licence Creative Commons – Attribution – Partage à l’identique. Des conditions supplémentaires peuvent s’appliquer aux fichiers multimédias.