Drain commun
En électronique, un drain commun est un type d’amplificateur électronique utilisant un transistor à effet de champ. Ce montage est le pendant pour transistor à effet de champ du collecteur commun. Il est typiquement utilisé comme suiveur de tension (ou buffer).
Caractéristiques

JFET représenté en amplificateur drain commun
Les caractéristiques petits signaux du montage en drain commun sont les suivantes :
- Gain en tension
: la transconductance exprimée en siemens
- Gain en courant
- Impédance d'entrée
- Impédance de sortie
Les lignes parallèles indiquent que les grandeurs sont en parallèles.
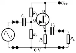
Étage amplificateur

Schéma d'un étage amplificateur de type drain commun
Voir aussi
Liens internes
- Amplificateur électronique
- Montages amplificateurs :
- Portail de l’électricité et de l’électronique
Cet article est issu de Wikipedia. Le texte est sous licence Creative Commons – Attribution – Partage à l’identique. Des conditions supplémentaires peuvent s’appliquer aux fichiers multimédias.