Doubleur de tension
Un doubleur de tension est un circuit électrique permettant d'obtenir une tension de sortie égale à deux fois la tension d'entrée. Les doubleurs de tension sont donc des multiplicateurs de tension avec pour facteur deux. Pour cela des condensateurs et des éléments interrupteurs sont utilisés.
Les circuits les plus simples sont des redresseurs ayant pour entrée une tension alternative (CA) et pour sortie une tension continue (CC) doublée. Les éléments commutant sont des diodes et sont donc commutés naturellement par la tension alternative. Les circuits DC-DC ou pompe de charge ont besoin d'éléments commutant commandables, par exemple un transistor, afin de réaliser le doublement de la tension.
Souvent les multiplicateurs de tension d'ordre supérieur sont juste des extensions des circuits doubleurs de tension avec plus d'étages. On parle de mise en cascade.
Double de tension redresseur
    
    Circuit de Villard
    


Le circuit de Villard est constitué uniquement d'un condensateur et d'une diode. Le transformateur n'est pas nécessaire au fonctionnement, il peut permettre de faire une isolation galvanique. Ce circuit a pour avantages sa grande simplicité et son faible taux d'harmoniques. Il fonctionne comme un circuit clamp (en). Le condensateur est chargé lors de l'alternance (demi-période) négative à l'amplitude maximale de la tension alternative (Vpk). La tension de sortie est égale à la tension alternative d'entrée à laquelle s'ajoute la tension constante du condensateur. Le circuit fait passer la composante continue du signal de zéro à Vpk, son minimum devient zéro volt, en négligeant la tension de seuil de la diode, la tension de sortie maximale devient donc 2*Vpk.
La tension de sortie est toujours positive, mais elle oscille au rythme de la tension alternative d'entrée. Si l'on inverse la diode, la tension de sortie devient toujours négative.
Ce circuit peut être utilisé pour régénérer la polarisation des signaux vidéo, afin d'avoir le bas des impulsions de synchronisation à 0 V.
Circuit de Greinacher
    

Le montage de Greinacher est nettement meilleur que celui de Villard pour un surcoût très limité. Les harmoniques sont normalement très faible, zéro pour le circuit ouvert, dépendantes de la résistance de la charge et de la valeur des capacités sinon. Grossièrement, il s'agit d'un circuit de Villard associé à un détecteur de crête. Ce dernier élément permet de limiter les oscillations dans la tension de sortie.

Ce circuit a été inventé en 1913 par Heinrich Greinacher[1] afin de lui permettre d'alimenter son ictomètre entre 200 et 300 V grâce au réseau 110 V de la ville de Zurich[2].
Il met ensuite son circuit en cascade en 1920 pour réaliser un multiplicateur de tension plus performant. Le montage cascade de Greinacher est parfois par erreur nommé montage cascade de Villard. En 1932, John Cockcroft et Ernest Walton redécouvrent le montage de manière indépendante et l'utilisent pour leur accélérateur de particules, le montage est parfois ainsi appelé générateur Cockcroft-Walton[3].
En assemblant deux montages de Greinacher de manière opposée (Figure 3), on obtient un quadrupleur de tension. Comme dans le cas d'un pont en H, il n'est pas possible de mettre à la terre ou à la masse à la fois l'entrée et la sortie de ce montage[4], sans l'utilisation d'un transformateur d'isolation galvanique.
Doubleur Latour / Pont ou circuit de Delon
    

Le doubleur de Marius Latour ou circuit de Delon est un pont électrique servant à doubler la tension. Ce montage était très courant dans la construction des télévisions à tubes cathodiques, où il servait à fournir l'alimentation très haute tension. En effet, un transformateur électrique est à la fois coûteux et dangereux dans le cadre d'un usage domestique au-delà d'une tension de 5 kV. Les télévisions noir et blanc avaient besoin de 10 kV, celles couleurs de plus, il a donc fallu trouver une autre solution. Un doubleur de tension était mis en place après l'enroulement haute tension du transformateur ou sur le convertisseur Flyback[5],[6],[7].
Le circuit est réalisé grâce à deux circuits détecteurs de crête et fonctionne de manière similaire au montage de Greinacher. Chaque demi-circuit fonctionne lors d'une alternance. La tension de sortie est égale à deux fois l'amplitude de la tension d'entrée, autrement dit égale à l'amplitude crête à crête.
Circuit à condensateurs commutés
    

Un hacheur peut être combiné au circuit de Villard. Ainsi, une tension continue peut être rendue alternative, doublée puis redressée[8]. Le circuit est alors plus performant si les interrupteurs sont commutés simultanément par une horloge externe. Ce type de circuit porte le nom de circuit à condensateurs commutés. Cette approche est particulièrement utile dans le cas d'applications avec une batterie de faible tension et où les circuits intégrés requièrent une tension supérieure à celle de la batterie. Une horloge étant généralement présente dans les circuits intégrés, le surcoût d'un tel montage est souvent nul[9].
La figure 5 présente un des montages à condensateurs commutés les plus simples. Les deux condensateurs sont chargés en parallèle à la même tension. L'alimentation est ensuite interrompue et les condensateurs branchés en série. La tension de sortie est prise aux bornes des deux condensateurs en série, elle est donc deux fois plus élevée que la tension initiale. De nombreux éléments peuvent être utilisés afin de réaliser la commutation, en pratique cependant les MOSFET sont très répandus[10].

Un autre concept classique consiste à réaliser un convertisseur à pompe de charge comme présenté sur la figure 6. Le condensateur CP est d'abord chargé à la tension d'entrée. Les interrupteurs sont commutés et le premier condensateur en série avec la source se met à charger le condensateur de sortie C0 à deux fois la tension d'entrée. Le chargement total du condensateur C0 peut prendre plusieurs périodes, mais en régime permanent les charges et décharges de CP doivent être à l'équilibre. Elles résultent en de légères oscillations. Si la fréquence est élevée, ces oscillations sont plus faibles et plus faciles à filtrer. Dans les circuits intégrés, la fréquence d'horloge maximale est typiquement de l'ordre de quelques centaines de kHz[11].
Pompe de charge de Dickson
    

La pompe de charge de Dickson, ou multiplicateur de Dickson, consiste à placer en cascade des ensembles de diodes et condensateurs avec la borne basse tension du condensateur commandé par une horloge. Le circuit est une modification du circuit en cascade de Greinacher, mais la tension d'entrée est continue, la variation venant de l'horloge, alors que pour celui de Greinacher la tension d'entrée est alternative. Le multiplicateur de Dickson a besoin que les signaux d'horloge de deux étages consécutifs soient en opposition de phase. Toutefois, le montage en doubleur de tension n'étant qu'à un étage, une horloge suffit[9],[12].
Le multiplicateur de Dickson est fréquemment utilisé pour les circuits intégrés, si la tension de la batterie est insuffisante. Son avantage est que tous ses composants sont de même type, cela simplifie la production à grande échelle. Les MOSFET sont les portes logiques standard dans les circuits intégrés. Les diodes du montage Dickson sont donc souvent réalisées grâce à des MOSFET connectés de façon adéquate. La figure 8 présente ce type de montage[9],[12].

De nombreuses variantes existent pour le montage de Dickson. La plupart cherchent à réduire l'effet de la chute de tension entre le drain et la source du transistor. Si la tension d'entrée est faible, cette chute de tension peut en effet avoir une grande influence. Le facteur multiplicatif pour la tension, qui est théoriquement deux, peut devenir bien plus faible, la tension étant perdue dans le transistor. L'usage d'une diode Schottky contre l'effet, celle-ci ayant une très faible chute de tension à ses bornes. Pour des raisons de production, les concepteurs de circuits intégrés préfèrent utiliser malgré tout des MOSFET et accroître la complexité du circuit[13],[14].
Un circuit alimenté par une pile alcaline de tension 1,5 V peut servir d'exemple illustratif. Avec un circuit doubleur de tension idéale, la tension de sortie vaut 3,0 V. La chute de tension drain-source d'un MOSFET connecté en diode vaut un peu plus que le seuil de la tension de gâchette soit typiquement 0,9 V[15]. Si la chute de tension du transistor de lissage ajouté également au circuit est prise en compte, ce montage ne parvient pas à accroître la tension sans utiliser plusieurs étages. Une diode de Schottky a par contre une chute de tension de l'ordre de 0,3 V[16]. Un montage avec cette diode a donc pour tension de sortie 2,7 V, ou 2,4 V après la diode de lissage[17].
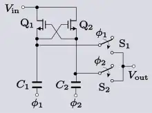
Circuit à condensateurs commutés croisés
    

Les circuits à condensateurs commutés croisés sont employés pour les très faibles tensions d'entrée, par exemple pour les appareils fonctionnant à l'aide d'une pile dont la tension peut descendre en dessous du volt avec le temps[18],[19].
Quand l'horloge est à un niveau faible, le transistor Q2 est ouvert. Au même moment, l'horloge est à un niveau élevé et ferme le transistor Q1. Le condensateur C1 est alors chargé par la tension d'entrée. Quand l'horloge remonte la borne en haut dans le schéma de C1 est portée à une tension égale à deux fois la tension d'entrée. À cet instant, l'interrupteur S1 est fermé, la tension de sortie devient alors égale à deux fois l'entrée. Q2 est alors fermé, la capacité C2 se met à charger comme l'a fait précédemment C1. Les rôles sont alors inversés pendant cette seconde alternance. La sortie voit donc toujours une tension égale à deux fois la tension d'entrée[18],[19],[20].
Les pertes sont faibles, car il n'y a pas de MOSFET connectés en diode et donc pas la chute de tension associée. La fréquence des oscillations est également doublée, le circuit étant constitué de deux montages doubleur, chacun relié à une horloge. Si ce dernier point est plutôt avantageux, les capacités parasites ont une plus grande importance dans ce montage que dans celui de Dickson. Elles causent également des pertes[18],[19].
Voir aussi
    
    
Références
    
- (en) Cet article est partiellement ou en totalité issu de l’article de Wikipédia en anglais intitulé « Voltage doubler » (voir la liste des auteurs).
 
- (en) H Greinacher, « The Ionometer and its Application to the Measurement of Radium and Röntgen Rays », Physikal. Zeitsch., vol. 15, , p. 410–415
 - Mehra et Rechenberg 2001, p. 284
 - Kind et Feser 2001, p. 29-30
 - Ryder 1970, p. 107
 - Kories et Schmidt-Walter 2004, p. 615
 - Millman et Halkias 1972, p. 109
 - Wharton et Howorth 1971, p. 68-69
 - McComb 1990, p. 148-150
 - Liu 2006, p. 225-226
 - Ahmed 2010, p. 164
 - Zumbahlen 2008, p. 741
 - Yuan 2010, p. 13-14
 - Liu 2006, p. 228-232
 - Yuan 2010, p. 14-21
 - Liou, Ortiz-Conde et García-Sánchez 1998, p. 185
 - Bassett et Taylor 2003, p. 17/27
 - Yuan 2010, p. 17
 - Peluso, Steyaert et Sansen 1999, p. 36-37
 - Liu 2006, p. 232-234
 - Campardo, Micheloni et Novosel 2005, p. 377
 
Bibliographie
    
- (en) Syed Imran Ahmed, Pipelined ADC Design and Enhancement Techniques, Springer, (ISBN 978-90-481-8651-8 et 90-481-8651-X)
 - (en) R. J. Bassett et P.D. Taylor, 17. Power Semiconductor Devices, Oxford, Newnes, coll. « Electrical Engineer's Reference Book », (ISBN 0-7506-4637-3), p. 17/1-17/37
 - (en) Giovanni Campardo, Rino Micheloni et David Novosel, VLSI-design of Non-volatile Memories, Springer, (ISBN 3-540-20198-X)
 - (en) J. F. Dickson, « On-chip high-voltage generation in MNOS integrated circuits using an improved voltage multiplier technique », IEEE Journal of Solid-State Circuits, vol. 11, no 3, , p. 374-378
 - (en) Dieter Kind et Kurt Feser, High-voltage Test Techniques, Newnes, , 308 p. (ISBN 0-7506-5183-0, lire en ligne)
 - (en) Ralf Kories et Heinz Schmidt-Walter, Taschenbuch der Elektrotechnik : Grundlagen und Elektronik, Deutsch Harri GmbH, , 718 p. (ISBN 3-8171-1734-5)
 - (en) Juin J. Liou, Adelmo Ortiz-Conde et F. García-Sánchez, Analysis and Design of MOSFETs : modeling, simulation and parameter extraction, Boston, Springer, , 349 p. (ISBN 0-412-14601-0, lire en ligne)
 - (en) Mingliang Liu, Demystifying Switched Capacitor Circuits, Newnes, (ISBN 0-7506-7907-7)
 - (en) Gordon McComb, Gordon McComb's gadgeteer's goldmine! : 55 Space-age Projects, McGraw-Hill Professional, , 406 p. (ISBN 0-8306-3360-X)
 - (en) J Mehra et H Rechenberg, The Historical Development of Quantum Theory, Springer, (ISBN 0-387-95179-2)
 - (en) Jacob Millman et Christos C. Halkias, Integrated Electronics : Analog and Digital Circuits and Systems, McGraw-Hill Kogakusha, , 911 p. (ISBN 0-07-042315-6)
 - (en) Vincenzo Peluso, Michiel Steyaert et Willy M. C. Sansen, Design of Low-voltage Low-power CMOS Delta-Sigma A/D Converters, Springer, , 174 p. (ISBN 0-7923-8417-2, lire en ligne)
 - (en) J. D. Ryder, Electronic Fundamentals & Applications, Pitman Publishing, (ISBN 0-273-31491-2)
 - (en) W. Wharton et D. Howorth, Principles of Television Reception, Pitman Publishing, (ISBN 0-273-36103-1)
 - (en) Fei Yuan, CMOS Circuits for Passive Wireless Microsystems, Springer, , 279 p. (ISBN 978-1-4419-7679-6 et 1-4419-7679-5)
 - (en) Hank Zumbahlen, Linear Circuit Design Handbook, Newnes, , 943 p. (ISBN 978-0-7506-8703-4 et 0-7506-8703-7)
 
- Portail de l’électricité et de l’électronique
 - Portail de l’énergie