Disjoncteur à courant continu
Un disjoncteur à courant continu est destiné à établir, supporter et interrompre des courants continus sous sa tension assignée, que ce soit en condition normale ou anormale par exemple un court-circuit, selon la définition donnée par la Commission électrotechnique internationale[1]. L'interruption d'un courant continu est à la fois différente et plus difficile que celle d'un courant alternatif. Les disjoncteurs à courant continu sont donc très différents de leurs équivalents pour courant alternatif. Des modèles en moyenne tension et haute tension existent actuellement dans le domaine ferroviaire et dans les stations HVDC, cependant jusqu'à présent aucune solution acceptable n'a été trouvée pour réaliser un disjoncteur à courant continu très haute tension : soit le système est trop lent, soit dégage trop de pertes. En 2012, ABB a présenté un concept semblant surmonter les problèmes rencontrés jusqu'à présent. Alstom a démontré une capacité de coupure encore plus rapide en 2013.
Pour les disjoncteurs destinés au domaine ferroviaire une chambre de coupure munie de séparateurs est souvent utilisée en combinaison avec une bobine créant un champ magnétique qui fait se déplacer l'arc vers ces derniers. Les disjoncteurs HVDC sont très différents. Ceux à circuit oscillant sont constitués de trois branches électriques en parallèle : un disjoncteur courant alternatif, une branche pour faire osciller le courant et une branche pour absorber l'énergie. Les éléments les constituant divergent selon les technologies utilisées, mais le principe de fonctionnement reste similaire : un mécanisme permet de diriger le courant du disjoncteur vers la branche oscillante, celle-ci le dirige vers la branche absorbante, cette dernière permet de créer une tension aux bornes de l'ensemble suffisante pour interrompre totalement le courant s'écoulant dans le disjoncteur. Avec ces circuits, la durée de coupure du courant est relativement longue. Des disjoncteurs HVDC construits simplement avec des semiconducteurs sont possibles, mais entraînent de fortes pertes, ce qui n'est pas acceptable pour les réseaux de transport d'énergie. Afin de combiner les avantages des deux systèmes des solutions hybrides ont été imaginées. La solution proposée par ABB en 2011 semble aboutie, elle est constituée de deux branches en parallèle: la première pour conduire le courant en régime permanent est constituée d'un sectionneur rapide, d'un interrupteur de faible dimension fait d'éléments semiconducteurs pour dériver le courant dans la seconde branche qui comprend un interrupteur de grande dimension fait lui aussi d'éléments semiconducteurs et qui va interrompre le courant et de varistances pour dissiper l'énergie.
La production de disjoncteur à courant continu haute tension (disjoncteurs HVDC) pourrait révolutionner la structure du réseau électrique actuel en rendant réalisable la construction d'un réseau maillé en tension continue en lieu et place ou en combinaison avec le réseau en tension alternative actuel.
Problématique
    
    Disjoncteur à courant alternatif
    

Pour les disjoncteurs en courant alternatif, la coupure d’un courant électrique est obtenue en séparant des contacts dans un gaz (air, SF6..) ou dans un milieu isolant (par exemple l'huile ou le vide). Après séparation des contacts, le courant continue de circuler dans le circuit à travers un arc électrique qui s’est établi entre les contacts du disjoncteur.
Dans les disjoncteurs à gaz, le courant est coupé lorsqu’un soufflage suffisant est exercé sur l’arc électrique pour le refroidir et l’interrompre.
À l’état normal, le gaz contenu dans le disjoncteur est isolant, il permet de supporter la tension du réseau connecté à ses bornes. Lorsque les contacts du disjoncteur se séparent, l’intervalle entre les contacts est soumis à un fort champ électrique, le courant circule alors à travers un arc qui est un plasma (ou gaz ionisé) composé de molécules de gaz décomposées, d'électrons et d’ions. La température de l'arc devient très élevée, elle peut atteindre 20 000 °C[2] ou plus au cœur de l'arc. Sous l’action du soufflage exercé sur l’arc lors du fonctionnement du disjoncteur, la température de l’arc diminue, les électrons et les ions se re-combinent et le fluide retrouve ses propriétés isolantes. La coupure de courant est alors réussie.
Pour les disjoncteurs à haute tension, le principe de coupure retenu est la coupure du courant lorsqu'il passe par zéro (ceci se produit toutes les dix millisecondes dans le cas d’un courant alternatif à 50 Hz). En effet, c'est à cet instant que la puissance qui est fournie à l’arc par le réseau est minimale (cette puissance fournie est même nulle à l’instant où la valeur instantanée du courant est nulle), on peut donc espérer, moyennant un soufflage suffisant, mettre à profit cet intervalle de temps pendant lequel le courant est de faible intensité pour refroidir suffisamment l’arc afin que sa température diminue et que l’espace entre les contacts redevienne isolant.
Interruption du courant continu
    
Le courant continu ne peut être interrompu par un disjoncteur à courant alternatif, car il ne passe pas par zéro, la puissance fournie à l'arc électrique qui s'est établi entre les contacts du disjoncteur est donc toujours très élevée et ce dernier ne peut être interrompu par un simple soufflage. Il faut donc absorber l'énergie de l'arc électrique ou forcer le passage du courant à zéro. Par ailleurs, l'énergie réactive contenue dans le réseau doit être dissipée. Enfin la tension transitoire de rétablissement qui apparaît aux bornes du disjoncteur après l'interruption du courant ne doit pas conduire au réenclenchement du circuit[3],[4],[5]
Historique
    


L'intérêt pour la réalisation de disjoncteur DC naît dans les années 1960 avec le développement des installations HVDC[6].
Greenwood et Lee ont développé en 1972 des disjoncteurs HVDC pour General Electric. Ils proposent une amélioration du principe de base (voir ci-contre) en ajoutant une branche absorbant l'énergie en plus de celle oscillante[6].
Dans les années 1980 de nombreuses études ont été publiées sur le sujet, mais seules deux lignes HVDC multi-terminaux ont été réalisées. En haute tension, les disjoncteurs construits les plus puissants ont une tension de 250 kV pour une capacité d'interruption de courant de 8 kA ou 500 kV pour 4 kA, ce qui représente des courants à peine plus élevés que le courant nominal. Un disjoncteur 250 kV a été construit en 1985 par Hitachi[7], des disjoncteurs 500 kV ont été réalisés en 1984 puis amélioré en 1985 par les équipes de Westinghouse et BBC et testés sur la Pacific DC Intertie[8],[9]. Le disjoncteur de Westinghouse utilise le SF6 pour l'isolation et le coupure alors que le disjoncteur BBC est à air comprimé. Ils ont été testés sous 400 kV, le courant a été coupé avec des durées de coupure inférieures à la valeur spécifiée de 35 ms[4].
Vers la fin des années 1980, la découverte des supraconducteurs à haute température ouvre de nouvelles possibilités. Il a été proposé de couper un courant continu en faisant passer celui-ci à travers un élément supraconducteur et en provoquant la transition dudit élément de l'état supraconducteur à l'état non supraconducteur, soit par élévation de la température dudit élément au-dessus de sa température critique, soit en amenant le champ magnétique à une valeur supérieure à celle du champ critique dudit élément. Les problèmes liés à la coupure de courants de différentes valeurs ont conduit à la proposition de concepts divers comme celui d'Alstom en 1990[10].
Les usages de résistance à coefficient de température positif (CTP) à base de titanate de baryum et de strontium ainsi que résistance comprenant des éléments en polymère chargé de carbone, dont la résistance augmente brutalement lorsque la température dépasse 100 °C, sont également envisagés afin de limiter la valeur du courant de défaut et rendre l'ouverture du disjoncteur plus aisée[11].
En 2010, seuls des disjoncteurs DC en basse et moyenne tension sont disponibles mais l'intérêt pour le développement de disjoncteur HVDC renaît[4].
En novembre 2012, ABB annonce avoir réussi à concevoir un disjoncteur HVDC hybride permettant d'interrompre le courant en 5 ms[12],[13].
En 2013, les équipes d'Alstom Grid annoncent avoir réussi à interrompre un courant de 3 kA en 2,5 ms à Villeurbanne[14],[15]. Début 2014, ces mêmes équipes déclarent avoir construit un prototype de disjoncteur avec une tension de coupure de 160 kV, ayant interrompu 5,2 kA en 5,5 ms et ayant passé les tests diélectriques standards pour les disjoncteurs[16].
Les disjoncteurs HVDC sont encore en phase de développement. Leur tension assignée doit augmenter pour que ces disjoncteurs soient réellement utilisés dans le réseau. L'usage de BiGT, des semiconducteurs bi-directionnels à base d'IGBT, doit permettre d'augmenter le courant interrompu[17],[18].
Construction
    
    Disjoncteurs basse tension
    
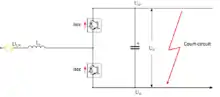
![]() Schéma d'un disjoncteur DC basse tension  | 
Les disjoncteurs DC basse tension utilisent une technologie proche de celle des disjoncteurs AC dans le sens où des contacts s'ouvrent, un arc apparaît puis un mécanisme permet d'éteindre l'arc. Toutefois alors que pour un disjoncteur AC, le passage par le zéro du courant permet d'obtenir des conditions dans lesquelles l'arc peut être soufflé, pour un disjoncteur DC d'autres stratégies doivent être utilisées. La tension aux bornes de l'arc doit atteindre la valeur de la tension du système, pour cela il faut augmenter la résistance de l'arc. Pour y parvenir, on peut : allonger l'arc, le refroidir ou le séparer en de nombreux arcs en série[19],[20],[21].
En détails, l'arc apparaît entre deux contacts proches l'un de l'autre. Un dispositif - bobine, aimant permanent - crée un champ magnétique, qui lui-même crée une force de Laplace qui fait se déplacer les pieds de l'arc sur le contact qui est conçu de sorte à favoriser un allongement de l’arc plus rapide et plus grand que celui provoqué par la seule ouverture mécanique des contacts[22]. Il faut noter que si le courant est assez élevé l'usage d'une bobine n'est pas nécessaire. Si au contraire le courant est faible, la mise en place d'un noyau magnétique au centre de la bobine peut être envisagée. Dans tous les cas si le champ produit est trop faible, l'arc ne se déplace pas et n'est pas interrompu. La bobine ne doit dans tous les cas être alimentée que lors de l'ouverture du disjoncteur. Au bout d'un moment, l'arc rencontre les séparateurs. Ceux-ci vont le diviser en de nombreux arcs en série. Les séparateurs peuvent être en matière conductrice ou isolante, dans les deux cas ils servent à refroidir l'arc. Dans le premier cas on parle de cathode froide pour les séparateurs[19],[20].
- Ouverture d'un disjoncteur avec un courant permanent de 16 kA la tension de l'arc est entre 2 et 11 V
 

Début d'ouverture du disjoncteur 
Début du soufflage de l'arc 16kA 
Soufflage de l'arc 16kA 
Projection d'argent en fusion .jpg.webp)
Arc éteint, vue des contacts après plusieurs ouvertures sous 16 kA 
À circuit oscillant
    


Pour forcer le passage du courant à zéro il faut produire une tension à travers le disjoncteur égale à celle du réseau. On peut différencier deux familles de méthodes : active et passive. Dans le premier cas une capacité, souvent préchargée, se situe en parallèle avec le disjoncteur AC. Pour plus de clarté par la suite, on désignera par « disjoncteur » le disjoncteur AC, par « ensemble » le disjoncteur HVDC vu dans sa totalité. La charge de la capacité produit un pic de courant de charge qui dérive donc le courant du disjoncteur AC. Dans le second cas, une capacité et une bobine sont connectés en série, leur fréquence d'oscillation permet de faire croiser le zéro au courant dans le disjoncteur AC[8].
Dans le cas de la commutation active, le fonctionnement est le suivant[3],[4]:
- En fonctionnement permanent, le disjoncteur est fermé, sa résistance est très faible.
 - Pour interrompre le courant, le sectionneur de la branche oscillante est fermée, la capacité se précharge et envoie un courant opposé dans le disjoncteur ce qui rend le courant nul.
 - Lors le courant passe par zéro le disjoncteur s'ouvre.
 - La capacité se charge alors.
 - La branche absorbante, constitué d'une varistance, est dimensionnée de telle sorte que lorsque la capacité est chargée il commence à conduire.
 - Le parafoudre dissipe alors l'énergie et réduit le courant à une valeur très faible.
 
Dans le cas d'une commutation passive, le sectionneur de la branche d'oscillation n'est pas nécessaire. Le fonctionnement est le suivant[8],[3],[4]:
- En fonctionnement permanent, le disjoncteur est fermé, sa résistance est très faible.
 - Pour interrompre le courant le disjoncteur s'ouvre, un arc s'établit entre ses contacts. La tension de l'arc, permet de détourner une partie du courant vers la branche oscillante.
 - Le courant dans le disjoncteur se met alors à osciller, il suit une loi du type . Il oscille donc avec de plus en plus d'amplitude et finit par croiser le zéro. L'arc est alors éteint.
 - La capacité se charge alors.
 - La branche absorbante, constitué d'une varistance, est dimensionnée de telle sorte que lorsque la capacité est chargée il commence à conduire.
 - Le parafoudre dissipe alors l'énergie et réduit le courant à une valeur très faible.
 
Pour le dimensionnement des différents éléments, il y a plusieurs points à prendre en compte[8],[4]:
- L'arc a une résistance dynamique difficile à modéliser.
 - Le seuil de tension de la varistance est choisi proche de la valeur maximale de la tension admise par la capacité. Cette tension doit être supérieure à celle du système. On peut prendre une valeur égale à 1,7 fois celle du système pour éviter que la varistance ne devienne passante en cas de défaut sur le réseau comme des chocs de manœuvre ou lors de la chute de la foudre. Cela vaut également pour la tension que peut maintenir le disjoncteur sur ses bornes.
 - La fréquence d'oscillation de la branche oscillante et du courant dans le disjoncteur est égale à . Pour rendre la commutation plus rapide il faut donc choisir C et L petits.
 - Le système voit, comme tout disjoncteur, apparaître à ses bornes une tension transitoire de rétablissement après l'interruption du courant. La valeur de la montée de la tension est égale à : . Si cette valeur est trop grande les autres équipements électriques connectés au disjoncteur doivent être dimensionnés de manière à pouvoir résister à une telle surtension. Pour limiter cette surtension, il faut donc choisir C grand. Comme le résume Charles H. Flurscheim il faut donc une capacité petite avant l'interruption du courant et grande après, il faut donc idéalement modifier le circuit à cet instant[6].
 
Une autre méthode similaire consiste à ouvrir le disjoncteur mais cette fois avec une tension d'arc supérieure à la tension du système. Le courant tombe alors à zéro. Cette méthode a le défaut que l'arc dure longtemps ce qui cause une forte érosion des contacts du disjoncteur et son usure prématurée[3].
Les différents éléments peuvent être de divers types[4]:
- Le disjoncteur peut être à air, à SF6, à huile, à vide.
 - L'interrupteur de la branche oscillante dans la famille active peut être un sectionneur ou un éclateur.
 - La résistance peut être linéaire, non linéaire (varistance).
 

Des tentatives sont faites pour améliorer la modélisation de l'arc électrique dans le disjoncteur et mieux adapter ceux-ci aux besoins spécifiques de ces circuits[4]. En 2014, ABB propose une adaptation du mécanisme précédent permettant d'atteindre un temps d'interruption de l'ordre de 5 ms pour 10,5 kA. Le circuit utilise une commutation active afin de faire osciller le courant dès la fermeture de la branche d'oscillation. La capacité est choisie très petite pour rendre l'interrumption rapide. Cela a également l'avantage de réduire les dimensions du composant et la rendre ainsi plus économique. La surtension importante provoquée par la faible capacité est limitée par des parafoudres. Le disjoncteur s'ouvre rapidement grâce à un actionneur électromagnétique[23].
Toutes ces solutions n'offrent pas des performances très intéressantes, leur temps d'interruption du courant reste élevé[4].
À semi-conducteurs
    
Un disjoncteur HVDC à semi-conducteurs peut être construit très facilement. De nombreux éléments semi-conducteurs doivent être mis en série pour maintenir une tension suffisante à leurs bornes et permettre la coupure du courant[4].
L'un des intérêts de ce système est d'être extrêmement rapide, quelques microsecondes lui suffisent pour interrompre le courant. Celui-ci n'a donc pas le temps de monter significativement, la résistance au court-circuit des équipements électriques n'a pas besoin d'être aussi importante[4],[24].
Les IGBT ont l'avantage de limiter automatiquement le courant. Par contre ils occasionnent beaucoup de pertes, les GTO en occasionnent moins, les IGCT étant les meilleurs dans ce domaine[24].
Le problème avec un tel montage est que le courant traverse continuellement les semi-conducteurs, ils causent donc des pertes par conduction. Leur résistance de l'ordre de quelques milliohms est nettement supérieure aux quelques microohms des disjoncteurs mécaniques AC[4]. Ces pertes ont un niveau inacceptable pour un grand réseau de transport électrique[25].
À supraconducteurs
    
L'usage de supraconducteurs a été proposé pour couper les courants continus. La solution consiste à mettre en série un élément supraconducteur en série avec le circuit à ouvrir. À l'état supraconducteur la tension à ses bornes est nulle. Une élévation de température au-delà de sa température critique ou une élévation du champ magnétique, c'est-à-dire du courant concrètement, au-delà de sa valeur critique provoque la transition du supraconducteur dans un état normal, doté d'une résistance et ayant donc une tension à ses bornes. Cette solution convient bien pour la coupure des courants élevés car il est très facile alors d'atteindre les seuils critiques de courant ou de champ. Mais cette solution convient mal à la coupure des courants nominaux ou inférieurs aux valeurs nominales[10].
Pour contourner le problème, il est possible d'utiliser les transitions successives de plusieurs fils supraconducteurs placés en parallèle en fonction de la valeur du courant à interrompre. Cette solution ne couvre pas toute la gamme de courant, et ne convient pas bien pour la coupure des courants faibles ou moyennement faibles. Alstom a proposé de combiner une capacité préchargée comme dans la solution oscillante à un dispositif supraconducteur pour couvrir toute la gamme de courant[10]. L'usage d'hélium liquide pour son refroidissement rend cette solution peu économique[11].
Solution hybride
    

Les solutions hybrides tentent de combiner les avantages des disjoncteurs mécaniques : faible résistance de conduction, bonne isolation en position ouverte, isolation galvanique, à celui des disjoncteurs à semi-conducteurs : la grande rapidité de coupure[3].
En 2000, l'état de l'art voulait que les ensembles de ce type soient en général constitués de trois éléments : un disjoncteur AC, un sectionneur et des semi-conducteurs. Le disjoncteur AC assure la conduction du courant en régime permanent, le sectionneur permet d'assurer l'isolation diélectrique après la coupure du courant, les semi-conducteurs permettent d'interrompre le courant mais ne conduisent pas celui-ci en régime permanent. Le disjoncteur doit être très rapide afin de maintenir le circuit ouvert une fois que les semi-conducteurs ont coupé le courant. Le circuit d'amortissement limite la surtension lors de l'ouverture du circuit pour protéger les semi-conducteurs[3].
Comme écrit précédemment, il est très important pour un disjoncteur DC hybride d'avoir des disjoncteurs aussi rapides que possible afin de ne pas augmenter la durée de coupure totale. Il doit avoir une faible résistance à l'état fermé et une bonne isolation ouvert[4]. Ces considérations ont poussé les chercheurs à remettre à plat le concept des disjoncteurs. Walter Holaus remarque ainsi en 2001 que ces disjoncteurs ne sont soumis que durant quelques µs à un arc électrique, il n'y a pas besoin ni d'élément de soufflage, ni de contacts très résistants. Il en conclut que des sectionneurs optimisés en vitesse seraient plus adaptés[26].

En 2011 ABB présente un prototype de disjoncteur DC hybride remplissant les objectifs fixés de rapidité et de faibles pertes. Son principe consiste à mettre en parallèle deux interrupteurs à IGBT : le premier, de taille limitée et produisant donc de faibles pertes, est en série avec un sectionneur rapide; le second est beaucoup plus grand avec des varistances en parallèle aux IGBT. En régime permanent, le courant passe par la première branche avec de faibles pertes. En cas de défaut, le premier interrupteur IGBT permet de commuter le courant dans l'autre branche alors que celui-ci est encore faible. Le sectionneur rapide s'ouvre alors évitant que ce premier interrupteur n'ait une tension trop importante à ses bornes. Afin d'être suffisamment rapide, il est constitué de plusieurs parties mécaniques en série. Le second interrupteur à IGBT s'ouvre alors, les varistances limitant la tension maximale aux bornes de l'interrupteur et dissipent l'énergie. Un sectionneur classique permet de couper le courant résiduel, la résistance des varistances n'étant pas infinie. La durée de coupure du courant est d'environ 5 ms[13]. L'objectif d'ABB est d'interrompre le courant sur des lignes ayant une tension de 320 kV[17].
Le sectionneur rapide utilisé dans le montage précédent est d'un design innovant. Il utilise de nombreux contacts en série, chacun monté sur une barre. La moitié des barres sont reliées en haut du mécanisme, l'autre moitié en bas. Quand le sectionneur s'ouvre, les barres sont déplacés, les contacts ne sont plus alignés et le courant est interrompu. La légèreté de chaque ensemble barre avec contact permet d'obtenir une ouverture rapide du mécanisme. Le déplacement est lui-même actionné par deux bobines de Thomson. Le tout étant plongé dans du SF6, ce qui réduit les distances d'isolement[27].
En novembre 2012, le groupe communique intensivement sur l'innovation[13]. Son coût n'est pas encore connu mais on peut penser qu'il sera nettement plus cher qu'un disjoncteur AC[28].
Applications
    
    Domaine ferroviaire
    
Le domaine ferroviaire utilise des disjoncteurs DC basse tension.
Ligne HVDC point-à-point
    
Les disjoncteurs HVDC à circuit oscillant sont présents dans les postes HVDC actuels dans les parties basses tensions. Ils portent les noms suivants : disjoncteur de transfert du retour métallique (metal return transfer breaker, MRTB), disjoncteur de transfert du retour par la terre (ground return transfer breaker, GRTB). On trouve également des sectionneurs en courant continu : metallic return switch (MRS), neutral bus switch (NBS), neutral bus ground switch (NBGS), high-speed bypass switch (HSBS). Les disjoncteurs de transfert du retour métallique et pas la terre ont tous deux la même fonction: dans une installation HVDC en bipôle lors de la défaillance d'un pôle, le courant du pôle sain ne peut plus revenir par l'intermédiaire de la ligne de l'autre pôle. Il passe alors soit par une ligne appelée « retour métallique » ou directement par la terre par l'intermédiaire d'électrode. Autrement dit la configuration passe de bipôle à monopole. Lorsque le pôle défaillant est réparé, il faut renvoyer le courant dans la ligne (ou câble) haute tension. La terre ayant une faible impédance, il faut forcer ce transfert. Un disjoncteur HVDC est donc utilisé pour interrompre le passage du courant par la terre. L'idée est la même pour le retour métallique, même si la différence entre les impédances est moins importante dans ce cas. Dans tous les cas des disjoncteurs à circuit oscillant sont utilisés[4],[29].
En régime permanent, le courant continu fait une boucle par les deux lignes hautes tensions.
Lors de la défaillance d'un pôle, le courant retourne par la terre/le retour métallique.
Lorsque le pôle est réparé, le courant circule toujours par la terre/le retour métallique.
Le MRTB permet de forcer le passage du courant dans la ligne haute tension et ainsi d'opérer de nouveau l'installation en bipôle
VSC
    

Les installations HVDC utilisant la technologie en source de tension, dite VSC, ne peuvent pas interrompre le courant de court-circuit au moyen de leur seuls convertisseurs si ces derniers ne sont pas connectés en pont en H. L'absence de bobine de lissage a pour effet que l'inductance de la ligne à courant continu est très faible. Le taux de montée du courant est donc très élevé en cas de défaut. Actuellement les disjoncteurs côté AC sont utilisés pour interrompre le courant de court-circuit. Des disjoncteurs HVDC permettraient d'interrompre le courant directement côté DC de manière rapide et ainsi de moins solliciter les équipements électriques dans ce cas[30],[6],[31],[32].
Réseau maillé en tension continue
    


En 2012, l'immense majorité des liaisons à courant continu (HVDC) sont des lignes point-à-point. Quelques rares systèmes sont dits multi-terminaux, mais contiennent en fait seulement 3 stations. En effet, en l'absence de disjoncteur côté DC, en cas de court-circuit, le courant doit être interrompu à la station HVDC[33]. Si pour un point-à-point cela ne change rien : la liaison entre les deux stations est perdue, pour un réseau multiterminal cela implique que tous les terminaux se retrouvent sans tension en cas de court-circuit. Cela est inacceptable. Des disjoncteurs DC dans le réseau doivent permettre de n'ouvrir que la ligne défectueuse tout en maintenant sous tension les lignes saines[6].
Ci-contre, une figure montre un réseau maillé en tension continue avec et sans disjoncteurs HVDC. Sans disjoncteur HVDC, il faut trois fois plus de postes de conversion HVDC, ce qui augmente les pertes. Par ailleurs, avec les disjoncteurs HVDC un poste peut passer de receveur à émetteur d'énergie, ou inversement, sans qu'un autre poste ne doive changer son état, cela facilite la commande du réseau[4].
Un challenge a relever dans les années à venir sera la protection des réseaux maillés à tension continue[34].
Fabricants
    
Pour les disjoncteurs à usage ferroviaire:
Références
    
- « Définition CEI: 441-14-20 », sur electropedia.org (consulté le )
 - (en) « Electric arcs and arc interruption », sur CE Sölver, Lecture at Chalmers University of Technology (consulté le )
 - (de) Ali Mahfudz Surya Atmadji, Direct current hybrid breakers: A design and its realization, TU Eindhoven, (lire en ligne)
 - (en) Christian M. Franck, « HVDC Circuit Breakers:A Review Identifying Future Research Needs », Transactions on Power Delivery, Zurich, IEEE, vol. 26, no 2, (lire en ligne, consulté le )
 - Wolfgang Grieshaber, "DC-breaker prototype: challengesand advances", WORKSHOP EWEA 2012, 17 April 2012.
 - Flurscheim 1985, p. 409-417
 - (en) « The Development of a HVDC SF6 Breaker » (consulté le )
 - (en) J. Porter, J. Vithayathil, B. Pauli, G. Mauthe, Erich Ruoss et G. Ecklin, « Development of high current HVDC circuit breaker with fast fault clearing capability », Transactions on Power Delivery, IEEE, vol. 3, no 4,
 - (en) J. Vithayathil, N.G. Hingorani, B. Pauli, A.L. Courts, S. Nilsson et J.W. Porter, « HVDC circuit breaker development and field tests », Transactions on Power Delivery, IEEE, vol. 104, no 10,
 - Van Doam Pham, Michel Collet, Mohamed Bekhaled et Alain Février, Dispositif de coupure pour courant continu à haute tension, Alstom, (lire en ligne)
 - Van Doam Pham et Nadine Rieux, Dispositif pour la coupure d'un courant continu à haute tension, Alstom, (lire en ligne)
 - (en) 1Peter Fairley, « Germany Takes the Lead in HVDC », sur ieee, (consulté le )
 - (en) « ABB achieves another milestone in electrical engineering » (consulté le )
 - « Disjoncteur à courant continu haute tension », sur La vie des réseaux (consulté le )
 - « Alstom takes world leadership in a key technology for the future of very high voltage direct current grids », sur www.alstom.com (consulté le )
 - « La technologie du disjoncteur haute tension à courant continu au point », sur Enerzine (consulté le )
 - (en) Jürgen HÄFNER et Björn Jacobson, Proactive Hybrid HVDC Breakers - A key innovation for reliable HVDC grids, Bologne, Cigré, (lire en ligne)
 - (en) « 1700V Bi-Mode Insulated Gate Transistor (BIGT) on Thin Wafer Technology », sur ABB (consulté le )
 - Flurscheim 1985, p. 189
 - (en) « DC Switchgear » (consulté le )
 - Laure Reynard, Modélisation tridimensionnelle de l'amorçage de l'arc électrique dans un disjoncteur basse-tension, Lyon, École Centrale, (lire en ligne)
 - « Technique de coupure des disjoncteurs BT », sur Schneider (consulté le )
 - (en) Thomas Eriksson, Magnus Backman et Stefan Halén, A low loss mechanical HVDC breaker for HVDC Grid applications, Paris, Cigré, coll. « B4-303 »,
 - (en) Christoph Meyer, Stefan Schröder et Rik W. De Doncker, « Solid-State Circuit Breakers and Current Limiters for Medium-Voltage Systems Having Distributed Power Systems », Transactions on power electronics, IEEE, vol. 19, no 5, (lire en ligne, consulté le )
 - (en) Dragan Jovcic et Boon Teck Ooi, « Theoretical Aspects of Fault Isolation on High-Power DC Lines Using Resonant DC/DC Converters », IET Generation, Transmission and Distribution, vol. 5, no 2, , p. 153-160 (lire en ligne, consulté le )
 - (en) Walter Holaus, Design of elementary switches for high power with minimal moving mass, Zurich, ETH, (lire en ligne)
 - (en) R. Derakhshanfar et T.U. Jonsson, Hybrid HVDC breaker – A solution for future HVDC system, Paris, Cigré, coll. « B4-304 »,
 - (en) « Blog critiquant le disjoncteur HVDC d'ABB » (consulté le )
 - (en) « DC High speed switches » (consulté le )
 - (en) Jin Yang, John E. Fletcher et John O’Reilly, Short-Circuit and Ground Fault Analysis and Location in VSC-Based DC Network Cables, IEEE, (lire en ligne)
 - (en) Groupe de travail B4, Technical guidelines for first HVDC grids - A European study group based on an initiative of the German commission for electrical, electronic & information technologies, Paris, CIGRÉ, (lire en ligne), chap. 307
 - Cigré 269 2005, p. 44-47
 - Côté AC pour les VSC à demi-pont en H, côté DC pour ceux en pont en H
 - (en) Wolfgang Grieshaber et al, "Feasibility of DC Transmission Networks".
 - (en) « High Speed DC Circuit Breaker », sur General electric (consulté le )
 
Bibliographie
    
- (en) Charles H. Flurscheim, Power Circuit Breaker Theory and Design, Edition of electrical engineer, (lire en ligne)
 - (en) Groupe de travail B4.37, VSC TRANSMISSION, Cigré, coll. « Brochure », , chap. 269
 
- Portail de l’électricité et de l’électronique
 - Portail de l’énergie
 


.gif)