Circuit intégré 7408
Le circuit intégré 7408 fait partie de la série des circuits intégrés 7400 utilisant la technique TTL.

Circuit intégré 7408 (Motorola SN74LS04N)

Die d'un 74H08
Ce circuit est composé de quatre portes logiques indépendantes ET à deux entrées.
Brochage

Brochage des boîtiers DIP
(vue du dessus)
(vue du dessus)
Table de vérité
| Entrées | Sortie | |
|---|---|---|
| A | B | Y |
| 0 | 0 | 0 |
| 0 | 1 | 0 |
| 1 | 0 | 0 |
| 1 | 1 | 1 |
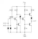
Schéma interne
Schéma d'une porte du circuit SN7408 (TTL standard) de Texas Instruments.
Schéma d'une porte du circuit SN74LS08 (TTL Low-power Schottky) de Texas Instruments.
Schéma d'une porte du circuit SN74S08 (TTL Schottky) de Texas Instruments.
Voir aussi
Références
- (en) Spécifications des circuits S5408/N7408, Signetics Digital 54/7400 Data Book, 1972
Liens internes
- Portail de l’électricité et de l’électronique
Cet article est issu de Wikipedia. Le texte est sous licence Creative Commons – Attribution – Partage à l’identique. Des conditions supplémentaires peuvent s’appliquer aux fichiers multimédias.


