Circuit intégré 7403
Le circuit intégré 7403 fait partie de la série des circuits intégrés 7400 utilisant la technique TTL.
Ce circuit est composé de quatre portes logiques indépendantes NON-ET à deux entrées possédant chacune une sortie à collecteur ouvert.

Circuit intégré 7403 (Texas Instruments SN74S03N)

Die d'un 74S03
Brochage

Brochage des boîtiers DIP
(vue du dessus)
(vue du dessus)
Table de vérité
| Entrées | Sortie | |
|---|---|---|
| A | B | Y |
| 0 | 0 | 1 |
| 0 | 1 | 1 |
| 1 | 0 | 1 |
| 1 | 1 | 0 |
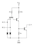
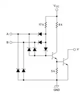
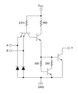
Schéma interne
Schéma d'une porte du circuit SN7403 (TTL standard) de Texas Instruments.
Schéma d'une porte du circuit SN74L03 (TTL Low-power) de Texas Instruments.
Schéma d'une porte du circuit SN74LS03 (TTL Low-power Schottky) de Texas Instruments.
Schéma d'une porte du circuit SN74S03 (TTL Schottky) de Texas Instruments.
Voir aussi
Références
- (en) Spécifications des circuits S5403/N7403, Signetics Digital 54/7400 Data Book, 1972
Liens internes
- Portail de l’électricité et de l’électronique
Cet article est issu de Wikipedia. Le texte est sous licence Creative Commons – Attribution – Partage à l’identique. Des conditions supplémentaires peuvent s’appliquer aux fichiers multimédias.



