Circuit RLC
En électrocinétique, un circuit RLC est un circuit linéaire contenant une résistance électrique, une bobine (inductance) et un condensateur (capacité).
Il existe deux types de circuits RLC, série ou parallèle selon l'interconnexion des trois types de composants. Le comportement d'un circuit RLC est généralement décrit par une équation différentielle du second ordre (là où des circuits RL ou circuits RC se comportent comme des circuits du premier ordre).
À l'aide d'un générateur de signaux, il est possible d'injecter dans le circuit des oscillations et observer dans certains cas une résonance, caractérisée par une augmentation du courant (lorsque le signal d'entrée choisi correspond à la pulsation propre du circuit, calculable à partir de l'équation différentielle qui le régit).
Circuit RLC en série

Circuit soumis à un échelon de tension
Si un circuit RLC série est soumis à un échelon de tension , la loi des mailles impose la relation :
En introduisant la relation caractéristique du condensateur :
on obtient l'équation différentielle du second ordre :
Avec :
- E la force électromotrice du générateur, en volts (V) ;
- uC la tension aux bornes du condensateur, en volts (V) ;
- L l'inductance de la bobine, en henrys (H) ;
- i l'intensité du courant électrique dans le circuit, en ampères (A) ;
- q la charge électrique du condensateur, en coulombs (C) ;
- C la capacité électrique du condensateur, en farads (F) ;
- Rt la résistance totale du circuit, en ohms (Ω) ;
- t le temps en secondes (s)
Dans le cas d'un régime sans pertes, c’est-à-dire pour , on obtient donc une solution se mettant sous la forme :
Avec :
- T0 la période d'oscillation, en secondes ;
- A et φ deux constantes à déterminer grâce aux conditions initiales du circuit.
Ce qui donne :
Où est la fréquence propre du circuit, en hertz (Hz).
Circuit soumis à une tension sinusoïdale
La transformation complexe appliquée aux différentes tensions permet d'écrire la loi des mailles sous la forme :
soit, en introduisant les impédances complexes :
La pulsation de résonance en intensité d'un tel circuit, , est donnée par :
Pour cette fréquence la relation ci-dessus devient :
et on a :
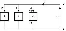
Circuit RLC en parallèle

En réutilisant les relations caractéristiques :
- de la résistance :
- de la bobine :
- du condensateur :
par la loi de comportement du condensateur . Comme le montage est en parallèle, l'équation du circuit est :
soit
Attention : la branche C est en court-circuit : on ne peut pas brancher A, B directement aux bornes d'un générateur E, il faut lui ajouter une résistance.
Les deux conditions initiales sont :
- garde sa valeur avant la mise sous tension (car l'inductance s'oppose à la variation du courant).
- garde sa valeur avant la mise sous tension .
Circuit soumis à une tension sinusoïdale
La transformation complexe appliquée aux différentes intensités donne :
soit, en introduisant les impédances complexes :
- soit :
La pulsation de résonance en intensité d'un tel circuit, , est donnée par :
Pour cette fréquence la relation ci-dessus devient :
- et on a :
Utilisation des circuits RLC

Les circuits RLC sont généralement utilisés pour réaliser des filtres de fréquence, ou des transformateurs d'impédance.
Ainsi, le circuit RLC parallèle est communément appelé « circuit bouchon » car il réduit à zéro certaines fréquences souvent indésirables pour l'appareil dans lequel il est intégré, permettant par exemple d'éliminer les parasites dans un récepteur.
Ces circuits peuvent alors comporter plusieurs bobines et plusieurs condensateurs : on parle alors de « réseau LC ».
Un circuit LC simple est dit du deuxième ordre car sa fonction de transfert comporte un polynôme du second degré en dénominateur.
On calcule aisément la bande passante d'un circuit LC simple : voir le paragraphe « sélectivité » du circuit LC.
Voir aussi
Articles connexes
Liens externes
- « Une vidéo explicative sur la résonance dans un circuit RLC »(Archive.org • Wikiwix • Archive.is • Google • Que faire ?)
- Calculatrice - Circuit RLC en régime
- Animation (applet JAVA)
- Portail de la physique
- Portail de l’électricité et de l’électronique