Bobine Tesla
La bobine Tesla, ou transformateur de Tesla, est une machine électrique fonctionnant avec du courant alternatif à haute fréquence et permettant de produire de très hautes tensions. Elle porte le nom de son inventeur, Nikola Tesla, qui l'a mise au point vers 1891. L'appareil consiste en deux ou trois circuits de bobinage couplés et accordés par résonance. Il n'y a pas de noyau métallique comme dans les transformateurs électriques classiques : c'est un transformateur à noyau d'air.
La version électromécanique du circuit, inventée par Nikola Tesla, dite conventionnelle, a été améliorée tout au long du XXe siècle. La version à semi-conducteurs de puissance a permis d'alléger le dispositif d'alimentation à la fin des années 1990, mais avec une construction plus complexe.
Il est relativement facile aujourd'hui de fabriquer une bobine Tesla pour produire des éclairs artificiels.
De nombreux amateurs ont construit leur propre version de la bobine[1] en cherchant à générer des décharges spectaculaires, malgré les réels risques d'électrocution et de dommages corporels encourus.

Description de la version électromécanique


Le système de Tesla permettant d'obtenir de très hautes tensions réunit :
- Une alimentation haute tension composée d'un transformateur classique élévateur de tension pouvant fournir plusieurs kilovolts, un dispositif de sécurité associant un filtre pour protéger le secteur, des fusibles et un disjoncteur. La haute tension alternative obtenue à ce niveau est de l’ordre de 10 000 à 15 000 volts avec la fréquence classique du courant domestique (50 Hz en Europe, 60 Hz aux États-Unis).
- Un éclateur à étincelles interrompues (arc soufflé) ou rotatif, inséré dans le circuit de puissance, en série ou en parallèle avec l'alimentation et l'enroulement primaire.
- Un condensateur ou une chaîne de condensateurs, capable de résister à une tension supérieure à celle de l'alimentation.
- Une bobine primaire large, comptant deux à quinze spires, et capable de résister à une intensité élevée. Une connexion fixe le câble fermant le circuit de haute tension au point exact de la syntonie.
- Une bobine secondaire haute, composée de 800 à 1000 spires jointives de fil de cuivre émaillé, bobinées en une seule couche sur un support cylindrique isolant.
- Une pièce métallique servant d'électrode de décharge, au sommet du bobinage secondaire. Sa capacité doit être connue et adaptée au circuit. Sa forme importe beaucoup : le modèle le plus utilisé est torique. En raison de phénomènes électrostatiques associés, cette forme évite en effet les décharges par effet corona et sa taille importante permet de protéger l'enroulement sous-jacent des décharges qui pourraient détruire l'isolation des spires. Une grande capacité de l'électrode terminale permet de réduire la valeur capacitive du condensateur du circuit primaire.
La bobine secondaire (résonateur) a un diamètre inférieur à celui de la bobine primaire. Les deux enroulements sont concentriques. Leur couplage est lâche, contrairement au couplage élevé des transformateurs classiques [2]. La bobine secondaire est reliée à une prise de terre à sa base et l'électrode de décharge est fixée à son sommet.
Il existe plusieurs variantes de ce circuit électromécanique, mais deux schémas sont identiques électriquement. Cependant, l'emplacement de l'éclateur a un impact sur sa fonction : lorsqu'il est placé en parallèle avec le secondaire du transformateur d'alimentation, il protège celui-ci des courants impulsionnels à haute fréquence qui peuvent retourner du résonateur vers le circuit primaire.
Fonctionnement

Nikola Tesla a cherché à obtenir du transformateur à résonance une double élévation de tension en bénéficiant d'une part du rapport de transformation lié à l'inégalité du nombre de spires au primaire et au secondaire, et d'autre part du coefficient de surtension qui caractérise un circuit réglé à résonance[3].
Une fois mis sous tension, le système d'alimentation charge le condensateur. Lorsque la différence de potentiel aux bornes de celui-ci est suffisante, un arc électrique traverse l'éclateur et le condensateur se décharge dans la maille contenant la bobine primaire. C'est une décharge oscillante amortie intense et à haute fréquence : la bobine primaire est parcourue par un courant alternatif à haute fréquence et haute intensité.
Comme tout solénoïde parcouru par un courant, selon les lois de l'induction magnétique, la bobine primaire produit un champ électromagnétique dans le milieu qui l'entoure. Ce champ est lui aussi intense et varie à haute fréquence. L'importante variation de flux à travers la bobine secondaire va induire aux bornes de celle-ci une différence de potentiel proportionnelle au rapport des nombres de spires des bobines secondaire et primaire (voir le fonctionnement du transformateur monophasé).
L'étape la plus importante du réglage de l'appareil consiste à obtenir la résonance entre la fréquence du circuit primaire et celle du circuit secondaire. Ce réglage, obtenu en augmentant ou diminuant la longueur de la spirale du primaire, est délicat car les champs électromagnétiques engendrés par les deux bobines sont perceptibles à distance (par exemple bobiner les câbles d'alimentation peut avoir une influence sur le comportement du circuit).
Une fois la résonance atteinte, la tension induite aux bornes de la bobine secondaire est maximale (plusieurs centaines de milliers de volts voire plusieurs millions pour les grands modèles). Comme ces tensions sont supérieures à la rigidité diélectrique de l'air, des arcs électriques vont jaillir de l'électrode terminale dans toutes les directions.
En dehors de son intérêt théorique et pédagogique, cette invention ne connaît, aujourd'hui, que deux applications pratiques : les effets lumineux spéciaux dans le monde du spectacle et la reproduction d'enregistrements musicaux en "basse fidélité" (Lo-Fi) grâce aux différentes fréquences émises.
La résonance électrique

Ce qui suit doit être imaginé dans la bobine secondaire du transformateur de Tesla (ou dans l'Extra Coil d'un Magnifier).
Les oscillations de haute fréquence impliquées dans le transformateur de Tesla sont toujours de nature électrique et surviennent à l'intérieur des conducteurs (presque toujours en cuivre). La nature du conducteur est telle que chaque longueur donnée du fil de bobinage a une résonance électrique propre. Sa fréquence est donnée, approximativement, en divisant la vitesse de la lumière par la longueur du conducteur et est dépendante de deux propriétés intrinsèques que sont son inductance et sa capacitance. Théoriquement, lorsqu'un fil de bobinage résonne à sa fréquence naturelle, deux pics et trois nœuds de tension électrique se produisent sur la longueur du conducteur comme dans une onde sinusoïdale parfaite. De même, trois pics et deux nœuds de courant sont aussi présents, mais avec un déphasage de 90 degrés. Lorsqu'un fil de cuivre isolé est enroulé en spires jointives, son inductance est modifiée par les champs magnétiques qui règnent autour du fil et interagissent entre eux. La conséquence est un ralentissement de la propagation de l'énergie électrique le long de l'enroulement de fil conducteur et une modification de la fréquence naturelle de résonance qui diffère selon que le câble est droit ou bobiné. Un gain d'inductance accompagne le passage d'un fil tendu linéaire à une forme enroulée plus courte compacte et ramassée.
Quand une quantité d'énergie électrique est induite dans un bobinage de spires jointives, placé horizontalement dans un espace idéal (sans risque d'interférences), il va résonner à sa fréquence naturelle de résonance (ressemblance approximative d'un coup bref donné sur une cloche). Des nœuds et des pics de tension vont apparaître le long du fil. Il va tendre à osciller à sa résonance naturelle en demi longueur d'onde, et chaque extrémité du bobinage sera le siège d'un pic de tension (V = V max) alors qu'un point nodal (V = 0) existera exactement en son milieu.
Si toutefois, la base du bobinage est mise à la terre, elle sera le siège forcé d'un point nodal et le bobinage oscillera en quart d'onde. Ces conséquences seront majorées si l'énergie est pulsée dans le bobinage à sa fréquence exacte de résonance. L'effet est appelé coefficient de surtension par résonance et le bobinage est un résonateur hélicoïdal. Une onde stationnaire apparaît sur le résonateur classique en quart d'onde qui possède un pic de courant à sa base (I = Imax) (ou point de mise à la terre) et un nœud de courant au sommet du bobinage (I = 0)[5]. De même, il existe un point nodal de tension à la base (mise à la terre) du bobinage et un pic de tension à son sommet.
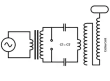
Le transformateur Tesla à trois bobines

Il y a plusieurs manières d'introduire de l'énergie électrique dans un résonateur hélicoïdal résonnant en quart d'onde. Il est possible de coupler l'énergie par induction. C'est ce qui se fait dans les transformateurs de Tesla classiques, avec un circuit primaire accordé sur la fréquence en quart d'onde du résonateur qui est dans ce cas, le bobinage secondaire. Une autre manière de procéder est de coupler directement l'énergie dans le résonateur en l'injectant directement à la base du bobinage. C'est le principe du magnifier (terme anglais qui peut se traduire par grossisseur selon la métaphore d'une loupe ou lentille optique grossissante). Deux enroulements vont fonctionner comme un transformateur à haute fréquence et élévateur de tension. Le troisième (Extra Coil en anglais) recevra l'énergie à sa base (par un tube de cuivre tendu entre le secondaire et lui) et l'électrode torique sera au sommet de l'Extra Coil. Cette dernière méthode serait la meilleure pour faire fonctionner un transformateur Tesla. Nikola Tesla a abandonné toutes les expérimentations avec le dispositif à deux bobines avant même de venir s'installer à Colorado Springs.
Synergie et harmonie
La résonance, dans un transformateur de Tesla, est un simple phénomène physique, reproductible et scientifiquement explicable. Si cette résonance peut être atteinte, un fonctionnement parfaitement synergique de tous les composants reste difficile. Un amateur expérimenté (Tesla Coiler) peut obtenir des éclairs à haute fréquence aussi longs que la hauteur du bobinage secondaire. Les débutants arrivent rarement à la moitié de cette longueur. Les expérimentateurs chevronnés qui connaissent bien leur montage, peuvent engendrer des éclairs qui sont plus longs que la hauteur du secondaire. L'art de la construction de ces installations implique des progrès en paliers, en serrant de mieux en mieux l'harmonie des composants et des conditions des expériences. C'est le facteur Q (pour Qualité) : de bons composants, de bons matériaux, de bons calculs mathématiques ne suffisent pas. Tous les aspects de la construction doivent être revisités et améliorés. Le transformateur élévateur de tension est-il assez puissant (il faut au moins 5 kW pour obtenir des arcs de deux à trois mètres de long) ? L'électrode torique est-elle assez large pour retenir la tension à des valeurs suffisantes (mais pas trop, sinon cette décharge ne se produit pas) ? Le couplage entre le primaire et le secondaire est-il correct ? Les deux enroulements sont concentriques, mais la position plus ou moins haute du secondaire sur le primaire est primordiale (couplage). Le ou les condensateurs du circuit de puissance sont-ils bien adaptés à l'alimentation haute tension ?
Version pilotée par semi-conducteur
Entre 1970 et 1980, des expérimentateurs amateurs ont essayé d'utiliser des semi-conducteurs pour remplacer l'éclateur à arc soufflé. À petite puissance, en utilisant le circuit très haute tension des téléviseurs noir et blanc, ils ont pu alimenter, en régime non pulsé, des résonateurs de Tesla avec de modestes résultats.
Puis les semi-conducteurs de puissance sont devenus moins chers et plus solides (transistors MOSFET puis transistors bipolaires isolés à double grille ou IGBT) et cette nouvelle technologie a pu faire progresser la version à semi-conducteurs, sans prétendre aux performances des systèmes électromécaniques.
Les dispositifs n'alimentaient directement que la base du secondaire (résonateur). En 2002, un étudiant américain nommé Jimmy Hynes fait avancer le concept en réalisant un oscillateur qui alimente en régime pulsé le primaire d'un transformateur de Tesla[6]. En 2004, Daniel McCauley porte le concept à maturité avec de nouvelles générations de DRSSTC (Double Resonant Solid Tesla Coil). Dès lors la course aux éclairs les plus longs peut continuer sans le lourd transformateur à haute tension et l'éclateur n’est plus nécessaire. L’électronique peut être modulée par une source musicale et permettre la construction de bobines Tesla chantantes.
Équations essentielles
Formule de Harold Alden Wheeler pour l'inductance.
Sécurité des expérimentateurs
Les risques corporels liés à ces expérimentations n'ont pas été l'objet de statistiques. En plus des accidents électriques, parfois mortels, des brûlures graves, des intoxications à l'ozone, aux oxydes d’azote, des lésions oculaires, des lésions auditives liés au bruit, des incendies ont été rapportés. Les expérimentateurs amateurs doivent prendre connaissance des nombreuses mesures de sécurité avant d’entreprendre toute construction de cet appareillage dangereux.
Dans la fiction
Les bobines Tesla sont parfois utilisées dans des œuvres de fiction, notamment dans divers jeux vidéo en tant qu'arme offensive ou défensive. Elles fonctionnent généralement par l'envoi d'arcs électriques sur les ennemis que le joueur doit combattre, électrocutant ou carbonisant la cible par ses décharges destructrices. Par exemple The Order : 1886, Command and Conquer : Alerte rouge, Tomb Raider: Legend, Return to Castle Wolfenstein, Fallout 3, Ratchet and Clank, TimeSplitters: Future Perfect ou encore World of Warcraft, contre le boss nommé Thaddius ainsi que dans Crimson Skies: High Road to Revenge, utilisé sur le dirigeable Tesla comme arme de défense et d'attaque. La bobine Tesla apparaît aussi dans les livres de la série Léviathan.
Le musicien Jack White en fait également l'utilisation dans le film Coffee and Cigarettes de Jim Jarmusch.
Dans le jeu Les Sims : Permis de sortir, une bobine Tesla est visible au milieu du labo.
La mini-série Mysteries Of The Universe l'évoque, bandes annonces de la saison 6 de Lost. Dans l'épisode 3, il est dit que l'initiative Dharma aurait commandé des bobines Tesla.
Il est également fait référence à la bobine Tesla dans le film Le Prestige où elle est utilisée comme une machine destinée à cloner les objets et les êtres vivants, ou encore dans L'Apprenti sorcier, où un étudiant ingénieur construit une bobine Tesla qui est d'ailleurs au cœur du film.
Dans l'extension du jeu Fallout New Vegas : Old World Blues, le cerveau du protagoniste est remplacé par une bobine Tesla.
Dans le jeu vidéo Half-Life, le joueur a la possibilité d'utiliser une bobine Tesla afin de tuer un monstre bloquant la progression de l'histoire.
Dans Hypérion, Dan Simmons appelle « Tesla » des arbres mortels géants dont la forme rappelle les bobines Tesla, et qui, périodiquement, émettent des arcs électriques de millions de volts.
Dans Bioshock Infinite, certaines failles peuvent faire apparaître des bobines Tesla qui électrisent un ennemi à la fois. La bobine Tesla est également une capacité (un fortifiant) dans BioShock.
Dans le jeu vidéo Clash of Clans, une défense nommée "tesla camouflée" existe. Celle-ci envoie des arcs électriques pouvant tuer les ennemis.
Dans le film Pacific Rim, le Jaeger Cherno Alpha possède des poings dans lequel sont présentes des bobines de tesla électrisant les kaijus.
Dans l'épisode 18 de la première saison de Scooby-Doo : Mystères associés, l'antagoniste principale M.Wang utilise deux bobines tesla miniaturisées cachées dans ses mains pour créer des arcs électriques.
Notes et références
- (en) Tesla coil Mailing List.
- Le coefficient de couplage entre les deux circuits traduit le pourcentage d'énergie transmis du primaire au secondaire.
- J. Cazenobe, Directeur de recherche au C.N.R.S, dans la postface de l'édition française de Margaret Cheney, Tesla, la passion d'inventer, Belin, 1987
- Observation of standing wave by using impedance analyzer
- (en) Richard Hull, The Tesla Coil Builder's Guide to the Colorado Springs Notes of Nikola Tesla, octobre 1996.
- « Jimmy's DRSSTC 2 », sur www.pupman.com (consulté le )
Voir aussi
Articles connexes
Liens externes
- Portail de la physique
- Portail de l’électricité et de l’électronique
